














| Product type | 115ZDS | 142ZDS | 190ZDS | |||
| Number of stage | 1 | 2 | 1 | 2 | 1 | 2 |
| L1 overall length | 213 | 246.5 | 288.5 | 331.5 | 316.5 | 364.5 |
| L3 body length | 77.5 | 111 | 102.5 | 145.5 | 121.5 | 169 |
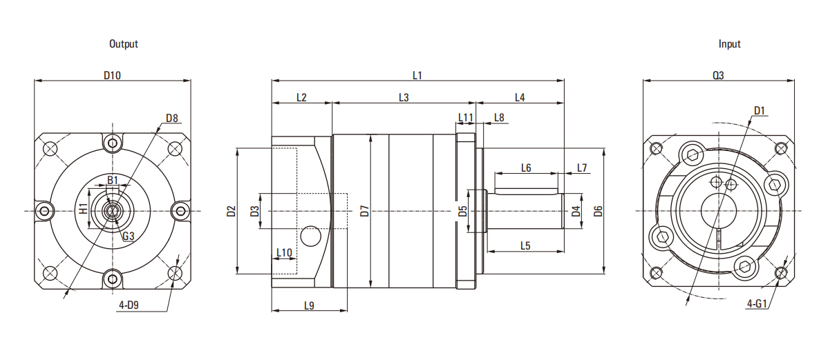
| Output | ||||||
| L4 output shaft length | 64.5 | 87 | 90 | |||
| L5 output length to the shaft shoulder | 58 | 80 | 82 | |||
| L6 key length | 50 | 70 | 70 | |||
| L7 key length to the shaft end | 4 | 5 | 6 | |||
| L8 spigot length | 4 | 5 | 6 | |||
| L11 output flange thickness | 14 | 20 | 20 | |||
| D4 output shaft diameter | φ32h7 | φ40h7 | φ55h7 | |||
| D5 shaft shoulder diameter | φ55 | φ65 | φ95 | |||
| D6 spigot diameter | φ110h7 | φ130h7 | φ160h7 | |||
| D7 body diameter | 115 | □142 | □190 | |||
| D8 flange hole circle | φ130 | φ165 | φ215 | |||
| D9 mounting bore | φ8.5 | φ11 | φ13.5 | |||
| B1 key width | 10 | 12 | 16 | |||
| H1 key height | 35 | 43 | 59 | |||
| G3 center screw hole | M12X25 | M12X25 | M16X35 | |||
| L13 recess width | 34 | 67.5 | 52.5 | 95.5 | 52 | 100 |
| L14 recess | □115 | □142 | □190 | |||
| Input | ||||||
| L2 input flange length | 71 | 100 | 105 | |||
| L9 motor shaft length | 58 | 79 | 82 | |||
| L10 spigot depth | 10 | 10 | 8 | |||
| D1 mounting hole distribution circle | φ145 | φ200 | φ215 | |||
| D2 spigot diameter | φ110G7 | φ114.3G7 | φ180G7 | |||
| D3 input shaft diameter | ≤φ24G7 | ≤φ35G7 | ≤φ42G7 | |||
| G1 mounting threads x depth | M8X22 | M12X25 | M12X25 | |||
| O3 input flange | □130 | □175 | □190 | |||
※Input size made according to motor size.
| Product type | 115 | 142 | 190 | Reduction ratio | Number of stage | |
| Rated output torque | N.M | 150 | 400 | 1000 | 3 | 1 |
| 200 | 560 | 1200 | 4 | |||
| 210 | 700 | 1600 | 5 | |||
| 148 | 450 | 1000 | 8 | |||
| 125 | 305 | 630 | 10 | |||
| 210 | 780 | 1500 | 12 | 2 | ||
| 210 | 780 | 1500 | 15 | |||
| 260 | 910 | 1800 | 16 | |||
| 260 | 910 | 1800 | 20 | |||
| 210 | 780 | 1800 | 25 | |||
| 260 | 910 | 1800 | 32 | |||
| 210 | 780 | 1800 | 40 | |||
| 148 | 450 | 1000 | 64 | |||
| 125 | 305 | 630 | 100 | |||
| Life | Hour | 20,000 | ||||
| Instant stop torque | N.M | Two times of rated output torque | ||||
| Product type | 115 | 142 | 190 | Unit | Number of stage |
| Maxradial torque | 4300 | 8200 | 12000 | N | |
| Max axial torque | 12000 | 19000 | 28000 | N | |
| Full load efficiency | 96 | % | 1 | ||
| 94 | 2 | ||||
| Weight | 9 | 15.4 | 33.5 | Kg | 1 |
| 11.6 | 18.5 | 45 | 2 | ||
| Operating temperature | -25~+90 | ℃ | |||
| IP | IP65 | ||||
| Lubrication type | Lifetime lubrication | ||||
| Mounting type | Any | ||||
The max radial and axial torque work in the location of the center of output shaft when the out speed is 100RPM.
| Product type | 115 | 142 | 190 | Reduction ratio | |
| Moment of inertia | kgcm² | 2.10 | 12.14 | 47.52 | 3 |
| 1.51 | 7.78 | 29.69 | 4 | ||
| 1.22 | 6.07 | 23.18 | 5 | ||
| 1.05 | 4.63 | 16.83 | 8 | ||
| 1.00 | 4.25 | 15.32 | 10 | ||
| 1.48 | 7.47 | 28.95 | 12 | ||
| 1.41 | 6.65 | 22.71 | 15 | ||
| 1.48 | 7.47 | 28.95 | 16 | ||
| 1.41 | 6.65 | 22.71 | 20 | ||
| 1.21 | 5.81 | 22.46 | 25 | ||
| 1.46 | 6.36 | 16.65 | 32 | ||
| 1.05 | 5.28 | 16.54 | 40 | ||
| 1.05 | 4.50 | 16.45 | 64 | ||
| 1.00 | 4.17 | 15.07 | 100 |
| Product type | 115 | 142 | 190 | Number of stage | |
| Backlash | arcmin | <8 | <8 | <8 | 1 |
| <12 | <12 | <12 | 2 | ||
| Torsional stiffness | N.M/arcmin | 20 | 44 | 130 | 1 |
| 22 | 46 | 140 | 2 | ||
| Noise | dB(A) | 65 | 68 | 70 | |
| Max input speed | min | 4500 | 4500 | 3000 | |
| Recommend input speed | min | 3000 | 3000 | 2000 |

| Product type | 60ZDWF | 80ZDWF | 120ZDWF | 160ZDWF | |||||||
| Number of stage | 1 | 2 | 3 | 1 | 2 | 3 | 1 | 2 | 3 | 1 | 2 |
| L1 overall length | 150 | 163 | 176 | 184.5 | 202.5 | 220 | 249.2 | 277 | 304.5 | 380 | 423.5 |
| L3 body length | 46.5 | 59.5 | 72.5 | 60 | 78 | 95.5 | 73.7 | 101.5 | 129 | 141 | 184.5 |
| L12 overall heights | 93 | 119.5 | 167.5 | 229 | |||||||
| Output | |||||||||||
| L4 output shaft length | 35 | 40 | 55 | 87 | |||||||
| L5 output length to the shaft shoulder | 30.5 | 36 | 50 | 80 | |||||||
| L6 key length | 25 | 28 | 40 | 70 | |||||||
| L7 key length to the shaft end | 2.5 | 4 | 5 | 5 | |||||||
| L8 spigot length | 3 | 3 | 4 | 5 | |||||||
| L11 flange thickness | 8 | 10 | 15 | 15 | |||||||
| D4 output shaft diameter | φ14h7 | φ20h7 | φ25h7 | φ40h7 | |||||||
| D5 shaft shoulder diameter | φ17 | φ25 | φ35 | φ55 | |||||||
| D6 spigot diameter | φ50h7 | φ80h7 | φ110h7 | φ130h7 | |||||||
| D7 body diameter | 60 | □90 | □120 | 160/□175 | |||||||
| D8 hole circle | φ70 | φ100 | φ130 | φ185/φ200 | |||||||
| D9 mounting bore | φ5.5 | φ6.5 | φ8.5 | φ11/φ13.5 | |||||||
| B1 key width | 5 | 6 | 8 | 12 | |||||||
| H1 key height | 16 | 22.5 | 28 | 43 | |||||||
| G3 center screw hole | M5X12 | M6X16 | M10X22 | M12X25 | |||||||
| Input | |||||||||||
| L2 input flange length | 20 | 32 | 38 | 66 | |||||||
| L9 motor shaft length | 30 | 40 | 58 | 81 | |||||||
| L10 spigot depth | 5 | 10 | 10 | 10 | |||||||
| D1 mounting hole distribution circle | φ70 | φ90 | φ145 | φ200 | |||||||
| D2 spigot diameter | φ50G7 | φ70G7 | φ110G7 | φ114.3G7 | |||||||
| D3 input shaft diameter | ≤Φ14G7 | ≤Φ19G7 | ≤Φ24G⁷ | ≤φ35G7 | |||||||
| G1 mounting threads x depth | M5X12 | M6X15 | M8X22 | M12X25 | |||||||
| O3 input flange | □60 | □80 | □130 | □175 | |||||||
※Input size made according to motor size.
| Product type | 60 | 80 | 120 | 160 | Reduction ratio | Number of stage | |
| Rated output torque | N.M | 12 | 40 | 80 | 400 | 3 | |
| 16 | 50 | 110 | 450 | 4 | |||
| 16 | 50 | 110 | 450 | 5 | |||
| 15 | 45 | 100 | 400 | 8 | |||
| 12 | 40 | 80 | 305 | 0 | |||
| 40 | 100 | 210 | / | 9 | 2 | ||
| 40 | 100 | 210 | 700 | 12 | |||
| 40 | 100 | 210 | 700 | 15 | |||
| 44 | 120 | 260 | 800 | 16 | |||
| 44 | 120 | 260 | 800 | 20 | |||
| 40 | 110 | 230 | 700 | 25 | |||
| 44 | 120 | 260 | 800 | 32 | |||
| 40 | 110 | 230 | 700 | 40 | |||
| 18 | 45 | 100 | 400 | 64 | |||
| 40 | 100 | 210 | / | 60 | 3 | ||
| 44 | 120 | 260 | / | 80 | |||
| 44 | 120 | 260 | / | 100 | |||
| 40 | 100 | 210 | / | 120 | |||
| 44 | 120 | 260 | / | 160 | |||
| 40 | 110 | 230 | / | 200 | |||
| 44 | 120 | 260 | / | 256 | |||
| 40 | 110 | 230 | / | 320 | |||
| 18 | 45 | 100 | / | 512 | |||
| Life | Hour | 20,000 | |||||
| Instant stop torque | N.M | Two times of rated output torque | |||||
| Product type | 60 | 80 | 120 | 160 | Unit | Number of stage |
| Maxradial torque | 450 | 900 | 2100 | 6000 | N | |
| Max axial torque | 225 | 450 | 1050 | 3000 | N | |
| Full load efficiency | 94 | % | 1 | |||
| 92 | 2 | |||||
| 88 | 3 | |||||
| Weight | 1.7 | 4.4 | 12 | 36 | Kg | 1 |
| 1.9 | 5 | 14 | 40 | 2 | ||
| 2.1 | 5.5 | 16 | / | 3 | ||
| Operating temperature | -25~+90 | ℃ | ||||
| IP | IP54 | |||||
| Lubrication type | Lifetime lubrication | |||||
| Mounting type | Any | |||||
The max radial and axial torque work in the location of the center of output shaft when the out speed is 100RPM.
| Product type | 60 | 80 | 120 | 160 | Reduction ratio | |
| Moment of inertia | Kgcm² | 0.246 | 1.189 | 5.75 | 24.5 | 3 |
| 0.204 | 0.939 | 3.91 | 19.4 | 4 | ||
| 0.189 | 0.869 | 3.35 | 17.5 | 5 | ||
| 0.176 | 0.809 | 2.89 | 15.9 | 8 | ||
| 0.152 | 0.730 | 2.54 | 15.5 | 10 | ||
| 0.242 | 1.159 | 5.73 | / | 9 | ||
| 0.199 | 0.919 | 3.83 | / | 12 | ||
| 0.188 | 0.859 | 3.28 | 17.5 | 15 | ||
| 0.199 | 0.919 | 3.83 | 19.4 | 16 | ||
| 0.186 | 0.859 | 3.28 | 17.5 | 20 | ||
| 0.186 | 0.859 | 3.26 | 17.5 | 25 | ||
| 0.175 | 0.809 | 2.84 | 15.9 | 32 | ||
| 0.175 | 0.809 | 2.84 | 15.9 | 40 | ||
| 0.175 | 0.809 | 2.84 | 15.9 | 64 | ||
| 0.186 | 0.919 | 3.28 | / | 60 | ||
| 0.186 | 0.919 | 3.28 | / | 80 | ||
| 0.186 | 0.859 | 3.26 | / | 100 | ||
| 0.175 | 0.809 | 2.84 | / | 120 | ||
| 0.175 | 0.809 | 2.84 | / | 160 | ||
| 0.175 | 0.809 | 2.84 | / | 200 | ||
| 0.175 | 0.809 | 2.84 | / | 256 | ||
| 0.175 | 0.809 | 2.84 | / | 320 | ||
| 0.175 | 0.809 | 2.84 | / | 512 |
| Product type | 60 | 80 | 120 | 160 | Number of stage | |
| Backlash | arcmin | <30 | <25 | <25 | <25 | 1 |
| <35 | <30 | <30 | <30 | 2 | ||
| <40 | <35 | <35 | / | 3 | ||
| Torsional stiffness | N.M/arcmin | 1.5 | 4.5 | 10 | 38 | 1 |
| 2.5 | 6.5 | 13 | 43 | 2 | ||
| 2.5 | 6.3 | 12 | / | 3 | ||
| Noise | dB(A) | 65 | 68 | 70 | 70 | |
| Max input speed | min-1 | 4500 | 4500 | 4500 | 4500 | |
| Recommend input speed | min-1 | 3000 | 3000 | 3000 | 3000 |

| Product type | 60ZDWE | 80ZDWE | 120ZDWE | 160ZDWE | |||||||
| Number of stage | 1 | 2 | 3 | 1 | 2 | 3 | 1 | 2 | 3 | 2 | |
| L1 overall length | 150 | 163 | 176 | 184.5 | 202.5 | 220 | 249.2 | 277 | 304.5 | 380 | 423.5 |
| L3 body length | 46.5 | 59.5 | 72.5 | 60 | 78 | 95.5 | 73.7 | 101.5 | 129 | 141 | 184.5 |
| L12 overall heights | 93 | 119.5 | 167.5 | 229 | |||||||
| Output | |||||||||||
| L4 output shaft length | 35 | 40 | 55 | 87 | |||||||
| L5 output length to the shaft shoulder | 30.5 | 36 | 50 | 80 | |||||||
| L6 key length | 25 | 28 | 40 | 70 | |||||||
| L7 key length to the shaft end | 2.5 | 4 | 5 | 5 | |||||||
| L8 spigot length | 3 | 3 | 4 | 5 | |||||||
| D4 output shaft diameter | φ14h7 | φ20h7 | φ25h7 | φ40h7 | |||||||
| D5 shaft shoulder diameter | φ17 | φ25 | φ35 | φ55 | |||||||
| D6 spigot diameter | φ40h7 | φ60h7 | φ80h7 | φ130h7 | |||||||
| D7 body diameter | φ60 | φ80 | φ115 | φ160 | |||||||
| D8 hole circle | φ52 | φ70 | φ100 | φ145 | |||||||
| B1 key width | 5 | 6 | 8 | 12 | |||||||
| H1 key height | 16 | 22.5 | 28 | 43 | |||||||
| G2 mounting thread x depth | M5X8 | M6X10 | M10X16 | M12X20 | |||||||
| G3 center screw hole | M5X12 | M6X16 | M10X22 | M12X25 | |||||||
| Input | |||||||||||
| L2 input flange length | 20 | 32 | 38 | 66 | |||||||
| L9 motor shaft length | 30 | 40 | 58 | 81 | |||||||
| L10 spigot depth | 5 | 10 | 10 | 10 | |||||||
| D1 mounting hole distribution circle | φ70 | φ90 | φ145 | φ200 | |||||||
| D2 spigot diameter | φ50G7 | φ70G7 | φ110G7 | φ114.3G7 | |||||||
| D3 input shaft diameter | ≤φ14G7 | ≤φ19G7 | ≤φ24G7 | ≤φ35G7 | |||||||
| G1 mounting threads x depth | M5X12 | M6X15 | M8X22 | M12X25 | |||||||
| O3 input flange | □60 | □80 | Mouth 130 | 175 | |||||||
※Input size made according to motor size.
| Product type | 60 | 80 | 120 | 160 | Reduction ratio | Number of stage | |
| Rated output torque | N.M | 12 | 40 | 80 | 400 | 3 | |
| 16 | 50 | 110 | 450 | 4 | |||
| 16 | 50 | 110 | 450 | 5 | |||
| 15 | 45 | 100 | 400 | 8 | |||
| 12 | 40 | 80 | 305 | 0 | |||
| 40 | 100 | 210 | / | 9 | 2 | ||
| 40 | 100 | 210 | 700 | 12 | |||
| 40 | 100 | 210 | 700 | 15 | |||
| 44 | 120 | 260 | 800 | 16 | |||
| 44 | 120 | 260 | 800 | 20 | |||
| 40 | 110 | 230 | 700 | 25 | |||
| 44 | 120 | 260 | 800 | 32 | |||
| 40 | 110 | 230 | 700 | 40 | |||
| 18 | 45 | 100 | 400 | 64 | |||
| 40 | 100 | 210 | / | 60 | 3 | ||
| 44 | 120 | 260 | / | 80 | |||
| 44 | 120 | 260 | / | 100 | |||
| 40 | 100 | 210 | / | 120 | |||
| 44 | 120 | 260 | / | 160 | |||
| 40 | 110 | 230 | / | 200 | |||
| 44 | 120 | 260 | / | 256 | |||
| 40 | 110 | 230 | / | 320 | |||
| 18 | 45 | 100 | / | 512 | |||
| Life | Hour | 20,000 | |||||
| Instant stop torque | N.M | Two times of rated output torque | |||||
| Product type | 60 | 80 | 120 | 160 | Unit | Number of stage |
| Maxradial torque | 450 | 900 | 2100 | 6000 | N | |
| Max axial torque | 225 | 450 | 1050 | 3000 | N | |
| Full load efficiency | 94 | % | 1 | |||
| 92 | 2 | |||||
| 88 | 3 | |||||
| Weight | 1.7 | 4.4 | 12 | 36 | Kg | 1 |
| 1.9 | 5 | 14 | 40 | 2 | ||
| 2.1 | 5.5 | 16 | / | 3 | ||
| Operating temperature | -25~+90 | ℃ | ||||
| IP | IP54 | |||||
| Lubrication type | Lifetime lubrication | |||||
| Mounting type | Any | |||||
The max radial and axial torque work in the location of the center of output shaft when the out speed is 100RPM.
| Product type | 60 | 80 | 120 | 160 | Reduction ratio | |
| Moment of inertia | Kgcm² | 0.246 | 1.189 | 5.75 | 24.5 | 3 |
| 0.204 | 0.939 | 3.91 | 19.4 | 4 | ||
| 0.189 | 0.869 | 3.35 | 17.5 | 5 | ||
| 0.176 | 0.809 | 2.89 | 15.9 | 8 | ||
| 0.152 | 0.730 | 2.54 | 15.5 | 10 | ||
| 0.242 | 1.159 | 5.73 | / | 9 | ||
| 0.199 | 0.919 | 3.83 | / | 12 | ||
| 0.188 | 0.859 | 3.28 | 17.5 | 15 | ||
| 0.199 | 0.919 | 3.83 | 19.4 | 16 | ||
| 0.186 | 0.859 | 3.28 | 17.5 | 20 | ||
| 0.186 | 0.859 | 3.26 | 17.5 | 25 | ||
| 0.175 | 0.809 | 2.84 | 15.9 | 32 | ||
| 0.175 | 0.809 | 2.84 | 15.9 | 40 | ||
| 0.175 | 0.809 | 2.84 | 15.9 | 64 | ||
| 0.186 | 0.919 | 3.28 | / | 60 | ||
| 0.186 | 0.919 | 3.28 | / | 80 | ||
| 0.186 | 0.859 | 3.26 | / | 100 | ||
| 0.175 | 0.809 | 2.84 | / | 120 | ||
| 0.175 | 0.809 | 2.84 | / | 160 | ||
| 0.175 | 0.809 | 2.84 | / | 200 | ||
| 0.175 | 0.809 | 2.84 | / | 256 | ||
| 0.175 | 0.809 | 2.84 | / | 320 | ||
| 0.175 | 0.809 | 2.84 | / | 512 |
| Product type | 60 | 80 | 120 | 160 | Number of stage | |
| Backlash | arcmin | <30 | <25 | <25 | <25 | 1 |
| <35 | <30 | <30 | <30 | 2 | ||
| <40 | <35 | <35 | / | 3 | ||
| Torsional stiffness | N.M/arcmin | 1.5 | 4.5 | 10 | 38 | 1 |
| 2.5 | 6.5 | 13 | 43 | 2 | ||
| 2.5 | 6.3 | 12 | / | 3 | ||
| Noise | dB(A) | 65 | 68 | 70 | 70 | |
| Max input speed | min-1 | 4500 | 4500 | 4500 | 4500 | |
| Recommend input speed | min-1 | 3000 | 3000 | 3000 | 3000 |

| Product type | 40ZDF | 60ZDF | 80ZDF | 120ZDF | 160ZDF | |||||||||
| Number of stage | 1 | 2 | 3 | 1 | 2 | 3 | 1 | 2 | 3 | 1 | 2 | 3 | 1 | 2 |
| L1 overall length | 93.5 | 106.5 | 119 | 114 | 127 | 140 | 144 | 162 | 179.5 | 195.2 | 223 | 250.5 | 302 | 345.5 |
| L3 body length | 39 | 52 | 64.5 | 46.5 | 59.5 | 72.5 | 60 | 78 | 95.5 | 73.7 | 101.5 | 129 | 116 | 159.5 |
| Output | ||||||||||||||
| L4 output shaft length | 26 | 35 | 40 | 55 | 87 | |||||||||
| L5 output length to the shaft shoulder | 23 | 30.5 | 36 | 50 | 80 | |||||||||
| L6 key length | 16 | 25 | 28 | 40 | 70 | |||||||||
| L7 key length to the shaft end | 3.5 | 2.5 | 4 | 5 | 5 | |||||||||
| L8 spigot length | 2 | 3 | 3 | 4 | 5 | |||||||||
| L11 output flange thickness | 6 | 8 | 10 | 15 | 15 | |||||||||
| D4 output shaft diameter | φ10h7 | φ14h7 | φ20h7 | φ25h7 | φ40h7 | |||||||||
| D5 shaft shoulder diameter | φ12 | φ17 | φ25 | φ35 | φ55 | |||||||||
| D6 spigot diameter | φ26h7 | φ50h7 | φ80h7 | φ110h7 | φ130h7 | |||||||||
| D7 output flange | □45 | □60 | 90 | □120 | □160/□175 | |||||||||
| D8 hole circle | φ50 | φ70 | φ100 | φ130 | φ185/φ200 | |||||||||
| D9 mounting hole | φ3.5 | φ5.5 | φ6.5 | φ8.5 | φ11/φ13.5 | |||||||||
| B1 key width | 3 | 5 | 6 | 8 | 12 | |||||||||
| H1 key height | 11.2 | 16 | 22.5 | 28 | 43 | |||||||||
| G3 center screw hole | M3X9 | M5X12 | M6X16 | M10X22 | M12X25 | |||||||||
| Input | ||||||||||||||
| L2 input flange length | 28.5 | 32 | 44 | 66.5 | 99 | |||||||||
| L9 motor shaft length | 26 | 30 | 40 | 58 | 79 | |||||||||
| L10 spigot depth | 6 | 10 | 10 | 10 | 10 | |||||||||
| D1 mounting hole distribution circle | φ46 | φ70 | φ90 | φ145 | φ200 | |||||||||
| D2 spigot diameter | φ30G7 | φ50G7 | φ70G7 | φ110G7 | φ114.3G7 | |||||||||
| D3 input shaft diameter | ≤φ8G7 | <Φ14G7 | ≤φ19G7 | ≤φ24G7 | ≤φ35G7 | |||||||||
| G1 mounting threads x depth | M4X10 | M5X12 | M6X15 | M8X22 | M12X25 | |||||||||
| O3 input flange | □40 | □60 | □80 | □130 | □175 | |||||||||
※Input size made according to motor size.
| Product type | 40 | 60 | 80 | 120 | 160 | Reduction ratio | Number of stage | |
| Rated output torque | N.M | 4.5 | 12 | 40 | 80 | 400 | 3 | 1 |
| 6 | 16 | 50 | 110 | 450 | 4 | |||
| 6 | 16 | 50 | 110 | 450 | 5 | |||
| 5 | 15 | 45 | 100 | 400 | 8 | |||
| 4 | 12 | 40 | 80 | 305 | 10 | |||
| / | 40 | 100 | 210 | / | 9 | 2 | ||
| 16.5 | 40 | 100 | 210 | 700 | 12 | |||
| 16.5 | 40 | 100 | 210 | 700 | 15 | |||
| 20 | 44 | 120 | 260 | 800 | 16 | |||
| 20 | 44 | 120 | 260 | 800 | 20 | |||
| 18 | 40 | 110 | 230 | 700 | 25 | |||
| 20 | 44 | 120 | 260 | 800 | 32 | |||
| 18 | 40 | 110 | 230 | 700 | 40 | |||
| 7.5 | 18 | 45 | 100 | 400 | 64 | |||
| 16.5 | 40 | 100 | 210 | / | 60 | 3 | ||
| 20 | 44 | 120 | 260 | / | 80 | |||
| 20 | 44 | 120 | 260 | / | 100 | |||
| 16.5 | 40 | 100 | 210 | / | 120 | |||
| 20 | 44 | 120 | 260 | / | 160 | |||
| 18 | 40 | 110 | 230 | / | 200 | |||
| 20 | 44 | 120 | 260 | / | 256 | |||
| 18 | 40 | 110 | 230 | / | 320 | |||
| 7.5 | 18 | 45 | 100 | / | 512 | |||
| Life | Hour | 20,000 | ||||||
| Instant stop torque | N.M | Two times of rated output torque | ||||||
| Product type | 40 | 60 | 80 | 120 | 160 | Unit | Number of stage |
| Max radial torque | 160 | 450 | 900 | 2100 | 6000 | N | |
| Max axial torque | 00 00 |
225 | 450 | 1050 | 3000 | N | |
| Full load efficiency | 96 | % | 1 | ||||
| 94 | 2 | ||||||
| 90 | 3 | ||||||
| Weight | 0.4 | 0.9 | 2.1 | 6 | 18 | Kg | 1 |
| 0.5 | 1.1 | 2.6 | 8 | 22 | 2 | ||
| 0.6 | 1.3 | 3.1 | 9.5 | / | 3 | ||
| Operating temperature | -25~+90 | ℃ | |||||
| IP | IP54 | ||||||
| Lubrication type | Lifetime lubrication | ||||||
| Mounting type | Any | ||||||
The max radial and axial torque work in the location of the center of output shaft when the out speed is 100RPM.
| Product type | 40 | 60 | 80 | 120 | 160 | Reduction ratio | |
| Moment of inertia | Kgcm² | 0.031 | 0.135 | 0.77 | 2.63 | 12.14 | 3 |
| 0.022 | 0.093 | 0.52 | 1.79 | 7.78 | 4 | ||
| 0.019 | 0.078 | 0.45 | 1.53 | 6.07 | 5 | ||
| 0.017 | 0.065 | 0.39 | 1.32 | 4.63 | 8 | ||
| 0.015 | 0.054 | 0.34 | 1.14 | 3.52 | 10 | ||
| / | 0.131 | 0.74 | 2.62 | / | 9 | ||
| 0.022 | 0.088 | 0.50 | 2.56 | 7.47 | 12 | ||
| 0.019 | 0.077 | 0.44 | 1.79 | 6.65 | 15 | ||
| 0.022 | 0.088 | 0.50 | 1.75 | 7.47 | 16 | ||
| 0.019 | 0.075 | 0.44 | 1.50 | 6.65 | 20 | ||
| 0.019 | 0.075 | 0.44 | 1.49 | 5.81 | 25 | ||
| 0.017 | 0.064 | 0.39 | 1.30 | 4.50 | 32 | ||
| 0.016 | 0.064 | 0.39 | 1.30 | 4.50 | 40 | ||
| 0.016 | 0.064 | 0.39 | 1.30 | 4.50 | 64 | ||
| 0.019 | 0.075 | 0.50 | 1.50 | / | 60 | ||
| 0.019 | 0.075 | 0.50 | 1.50 | / | 80 | ||
| 0.019 | 0.075 | 0.44 | 1.49 | / | 100 | ||
| 0.016 | 0.064 | 0.39 | 1.30 | / | 120 | ||
| 0.016 | 0.064 | 0.39 | 1.30 | / | 160 | ||
| 0.016 | 0.064 | 0.39 | 1.30 | / | 200 | ||
| 0.016 | 0.064 | 0.39 | 1.30 | / | 256 | ||
| 0.016 | 0.064 | 0.39 | 1.30 | / | 320 | ||
| 0.016 | 0.064 | 0.39 | 1.30 | / | 512 |
| Product type | 40 | 60 | 80 | 120 | 160 | Number of stage | |
| Backlash | arcmin | <12 | <8 | <8 | <8 | <8 | |
| <15 | <12 | <12 | <12 | <12 | 2 | ||
| <18 | <15 | <15 | <15 | 3 |
| Product type | 40 | 60 | 80 | 120 | 160 | |
| Torsional stiffness | N.M/arcmin | 0.7 | 1.8 | 4.5 | 12 | 38 |
| Noise | dB(A) | 55 | 58 | 60 | 65 | 70 |
| Max input speed | min | 4500 | 4500 | 4500 | 4500 | 4500 |
| Recommend input speed | min¹ | 3000 | 3000 | 3000 | 3000 | 3000 |

| Product type | 40ZDE | 60ZDE | 80ZDE | 120ZDE | 160ZDE | |||||||||
| Number of stage | 1 | 2 | 3 | 1 | 2 | 3 | 1 | 2 | 3 | 1 | 2 | 3 | 1 | 2 |
| L1 overall length | 93.5 | 106.5 | 119 | 114 | 127 | 140 | 144 | 162 | 179.5 | 195.2 | 223 | 250.5 | 302 | 345.5 |
| L3 body length | 39 | 52 | 64.5 | 46.5 | 59.5 | 72.5 | 60 | 78 | 95.5 | 73.7 | 101.5 | 129 | 116 | 159.5 |
| Output | ||||||||||||||
| L4 output shaft length | 26 | 35 | 40 | 55 | 87 | |||||||||
| L5 output length to the shaft shoulder | 23 | 30.5 | 36 | 50 | 80 | |||||||||
| L6 key length | 16 | 25 | 28 | 40 | 70 | |||||||||
| L7 key length to the shaft end | 3.5 | 2.5 | 4 | 5 | 5 | |||||||||
| L8 spigot length | 2 | 3 | 3 | 4 | 5 | |||||||||
| D4 output shaft diameter | φ10h7 | φ14h7 | φ20h7 | φ25h7 | φ40h7 | |||||||||
| D5 shaft shoulder diameter | φ12 | φ17 | φ25 | φ35 | φ55 | |||||||||
| D6 spigot diameter | φ26h7 | Φ40h7 | Φ60h7 | Φ80h7 | Φ130h7 | |||||||||
| D7 body diameter | φ40 | φ60 | φ80 | φ115 | φ160 | |||||||||
| D8 hole circle | φ34 | φ52 | φ70 | φ100 | φ145 | |||||||||
| B1 key width | 3 | 5 | 6 | 8 | 12 | |||||||||
| H1 key height | 11.2 | 16 | 22.5 | 28 | 43 | |||||||||
| G2 mounting screw hole | M4X6 | M5X8 | M6X10 | M10X16 | M12X20 | |||||||||
| G3 center screw hole | M3X9 | M5X12 | M6X16 | M10X22 | M12X25 | |||||||||
| Input | ||||||||||||||
| L2 input flange length | 28.5 | 32 | 44 | 66.5 | 99 | |||||||||
| L9 motor shaft length | 26 | 30 | 40 | 58 | 79 | |||||||||
| 10 spigot depth | 6 | 10 | 10 | 10 | 10 | |||||||||
| D1 mounting hole distribution circle | φ46 | φ70 | φ90 | φ145 | φ200 | |||||||||
| D2 spigot diameter | φ30G7 | φ50G7 | φ70G7 | φ110G7 | φ114.3G7 | |||||||||
| D3 input shaft diameter | ≤Φ8G7 | ≤Φ14G7 | ≤Φ19G7 | ≤Φ24G7 | ≤φ35G7 | |||||||||
| GG1 mounting threads x depth | M4X10 | M5X12 | M6X15 | M8X22 | M12X25 | |||||||||
| O3 input flange | □40 | □60 | □80 | □130 | □175 | |||||||||
| Product type | 40 | 60 | 80 | 120 | 160 | Reduction ratio | Number of stage | |
| Rated output torque | N.M | 4.5 | 12 | 40 | 80 | 400 | 3 | 1 |
| 6 | 16 | 50 | 110 | 450 | 4 | |||
| 6 | 16 | 50 | 110 | 450 | 5 | |||
| 5 | 15 | 45 | 100 | 400 | 8 | |||
| 4 | 12 | 40 | 80 | 305 | 10 | |||
| / | 40 | 100 | 210 | / | 9 | 2 | ||
| 16.5 | 40 | 100 | 210 | 700 | 12 | |||
| 16.5 | 40 | 100 | 210 | 700 | 15 | |||
| 20 | 44 | 120 | 260 | 800 | 16 | |||
| 20 | 44 | 120 | 260 | 800 | 20 | |||
| 18 | 40 | 110 | 230 | 700 | 25 | |||
| 20 | 44 | 120 | 260 | 800 | 32 | |||
| 18 | 40 | 110 | 230 | 700 | 40 | |||
| 7.5 | 18 | 45 | 100 | 400 | 64 | |||
| 16.5 | 40 | 100 | 210 | / | 60 | 3 | ||
| 20 | 44 | 120 | 260 | / | 80 | |||
| 20 | 44 | 120 | 260 | / | 100 | |||
| 16.5 | 40 | 100 | 210 | / | 120 | |||
| 20 | 44 | 120 | 260 | / | 160 | |||
| 18 | 40 | 110 | 230 | / | 200 | |||
| 20 | 44 | 120 | 260 | / | 256 | |||
| 18 | 40 | 110 | 230 | / | 320 | |||
| 7.5 | 18 | 45 | 100 | / | 512 | |||
| Life | Hour | 20,000 | ||||||
| Instant stop torque | N.M | Two times of rated output torque | ||||||
| Product type | 40 | 60 | 80 | 120 | 160 | Unit | Number of stage |
| Max radial torque | 160 | 450 | 900 | 2100 | 6000 | N | |
| Max axial torque | 00 00 |
225 | 450 | 1050 | 3000 | N | |
| Full load efficiency | 96 | % | 1 | ||||
| 94 | 2 | ||||||
| 90 | 3 | ||||||
| Weight | 0.4 | 0.9 | 2.1 | 6 | 18 | Kg | 1 |
| 0.5 | 1.1 | 2.6 | 8 | 22 | 2 | ||
| 0.6 | 1.3 | 3.1 | 9.5 | / | 3 | ||
| Operating temperature | -25~+90 | ℃ | |||||
| IP | IP54 | ||||||
| Lubrication type | Lifetime lubrication | ||||||
| Mounting type | Any | ||||||
The max radial and axial torque work in the location of the center of output shaft when the out speed is 100RPM.
| Product type | 40 | 60 | 80 | 120 | 160 | Reduction ratio | |
| Moment of inertia | Kgcm² | 0.031 | 0.135 | 0.77 | 2.63 | 12.14 | 3 |
| 0.022 | 0.093 | 0.52 | 1.79 | 7.78 | 4 | ||
| 0.019 | 0.078 | 0.45 | 1.53 | 6.07 | 5 | ||
| 0.017 | 0.065 | 0.39 | 1.32 | 4.63 | 8 | ||
| 0.015 | 0.054 | 0.34 | 1.14 | 3.52 | 10 | ||
| / | 0.131 | 0.74 | 2.62 | / | 9 | ||
| 0.022 | 0.088 | 0.50 | 2.56 | 7.47 | 12 | ||
| 0.019 | 0.077 | 0.44 | 1.79 | 6.65 | 15 | ||
| 0.022 | 0.088 | 0.50 | 1.75 | 7.47 | 16 | ||
| 0.019 | 0.075 | 0.44 | 1.50 | 6.65 | 20 | ||
| 0.019 | 0.075 | 0.44 | 1.49 | 5.81 | 25 | ||
| 0.017 | 0.064 | 0.39 | 1.30 | 4.50 | 32 | ||
| 0.016 | 0.064 | 0.39 | 1.30 | 4.50 | 40 | ||
| 0.016 | 0.064 | 0.39 | 1.30 | 4.50 | 64 | ||
| 0.019 | 0.075 | 0.50 | 1.50 | / | 60 | ||
| 0.019 | 0.075 | 0.50 | 1.50 | / | 80 | ||
| 0.019 | 0.075 | 0.44 | 1.49 | / | 100 | ||
| 0.016 | 0.064 | 0.39 | 1.30 | / | 120 | ||
| 0.016 | 0.064 | 0.39 | 1.30 | / | 160 | ||
| 0.016 | 0.064 | 0.39 | 1.30 | / | 200 | ||
| 0.016 | 0.064 | 0.39 | 1.30 | / | 256 | ||
| 0.016 | 0.064 | 0.39 | 1.30 | / | 320 | ||
| 0.016 | 0.064 | 0.39 | 1.30 | / | 512 |
| Product type | 40 | 60 | 80 | 120 | 160 | Number of stage | |
| Backlash | arcmin | <12 | <8 | <8 | <8 | <8 | |
| <15 | <12 | <12 | <12 | <12 | 2 | ||
| <18 | <15 | <15 | <15 | 3 |
| Product type | 40 | 60 | 80 | 120 | 160 | |
| Torsional stiffness | N.M/arcmin | 0.7 | 1.8 | 4.5 | 12 | 38 |
| Noise | dB(A) | 55 | 58 | 60 | 65 | 70 |
| Max input speed | min | 4500 | 4500 | 4500 | 4500 | 4500 |
| Recommend input speed | min¹ | 3000 | 3000 | 3000 | 3000 | 3000 |

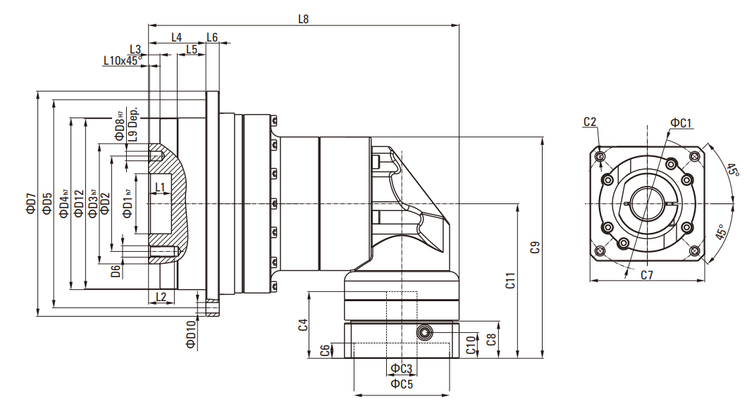
| Size | 064HDR | 090HDR | 110HDR | 140HDR | 200HDR |
| D1h7 | 20 | 31.5 | 40 | 50 | 80 |
| D2 | 31.5 | 50 | 63 | 80 | 125 |
| D3h7 | 40 | 63 | 80 | 100 | 160 |
| D4h7 | 54 | 80 | 110 | 140 | 200 |
| D5 | 79 | 109 | 135 | 168 | 233 |
| D6 | 7×M5×0.8P | 7×M6×1P | 11×M6×1P | 11×M8×1.25P | 11×M10×1.5P |
| D7 | 86 | 118 | 145 | 179 | 247 |
| D8H7 | 5 | 6 | 6 | 8 | 10 |
| D10 | 8×4.5 | 8×5.5 | 8×5.5 | 12×6.6 | 12×9 |
| D12 | 63.2 | 89.2 | 109.2 | 139.2 | 199.2 |
| L1 | 8 | 12 | 12 | 12 | 16 |
| L2 | 8 | 13.5 | 13.5 | 17 | 22.5 |
| L3 | 3 | 6 | 6 | 6 | 8 |
| L4 | 19.5 | 30 | 29 | 38 | 50 |
| L5 | 7 | 10 | 10 | 14.6 | 15 |
| L6 | 4 | 7 | 8 | 10 | 12 |
| L8 | 126 | 172.5 | 201 | 263.5 | 334.5 |
| L9 | 6 | 7 | 7 | 7 | 10 |
| L10 | 0.5 | 1 | 1 | 1 | 1 |
| C1 | 70 | 100 | 130 | 165 | 215 |
| C2 | M5×0.8P | M6×1P | M8×1.25P | M10×1.5P | M12×1.75P |
| C3 | ≤14/≤16 | ≤19/≤24 | ≤32 | ≤38 | ≤48 |
| C4 | 34 | 40 | 50 | 60 | 85 |
| C5 | 50 | 80 | 110 | 130 | 180 |
| C6 | 8 | 4 | 5 | 6 | 6 |
| C7 | 60 | 90 | 115 | 142 | 190 |
| C8 | 19 | 17 | 19.5 | 22.5 | 29 |
| C9 | 116.5 | 159.5 | 199 | 254.5 | 316 |
| C10 | 13.5 | 10.75 | 13 | 15 | 20.75 |
| C11 | 81.5 | 107.5 | 134 | 164.5 | 213.5 |
*070ZBR 5,10 reduction ratio provides C3 ≤ 16 optional.
Dimensional Drawing

Dimensional Table
| Size | 064HDR | 090HDR | 110HDR | 140HDR | 200HDR |
| D1h7 | 20 | 31.5 | 40 | 50 | 80 |
| D2 | 31.5 | 50 | 63 | 80 | 125 |
| D3h7 | 40 | 63 | 80 | 100 | 160 |
| D4h7 | 54 | 80 | 110 | 140 | 200 |
| D5 | 79 | 109 | 135 | 168 | 233 |
| D6 | 7×M5×0.8P | 7×M6×1P | 11×M6×1P | 11×M8×1.25P | 11×M10×1.5P |
| D7 | 86 | 118 | 145 | 179 | 247 |
| D8H7 | 5 | 6 | 6 | 8 | 10 |
| D10 | 8×4.5 | 8×5.5 | 8×5.5 | 12×6.6 | 12×9 |
| D12 | 63.2 | 89.2 | 109.2 | 139.2 | 199.2 |
| L1 | 8 | 12 | 12 | 12 | 16 |
| L2 | 8 | 13.5 | 13.5 | 17 | 22.5 |
| L3 | 3 | 6 | 6 | 6 | 8 |
| L4 | 19.5 | 30 | 29 | 38 | 50 |
| L5 | 7 | 10 | 10 | 14.6 | 15 |
| L6 | 4 | 7 | 8 | 10 | 12 |
| L8 | 132.5 | 163 | 217.5 | 269.5 | 333.5 |
| L9 | 6 | 7 | 7 | 7 | 10 |
| L10 | 0.5 | 1 | 1 | 1 | 1 |
| C1 | 46 | 70 | 100 | 130 | 165 |
| C2 | M4×0.7P | M5×0.8P | M6×1P | M8×1.25P | M10×1.5P |
| C3 | ≤11/≤12 | ≤14/≤16 | ≤19/≤24 | ≤32 | ≤38 |
| C4 | 30 | 34 | 40 | 50 | 60 |
| C5 | 30 | 50 | 80 | 110 | 130 |
| C6 | 3.5 | 8 | 4 | 5 | 6 |
| C7 | 48 | 60 | 90 | 115 | 142 |
| C8 | 19.5 | 19 | 17 | 19.5 | 22.5 |
| C9 | 108.25 | 128.25 | 166.5 | 209 | 269.5 |
| C10 | 13.25 | 13.5 | 10.75 | 13 | 15 |
| C11 | 74 | 81.5 | 107.5 | 134 | 164.5 |
*070ZBR 5,10 offers C3 ≤ 16 optional reduction ratio.
| Specifications | Node Number | Reduction Ratio | 064HDR | 090HDR | 110HDR | 140HDR | 200HDR | |
| Rated output torque T2N | Nm | 1 | 4 | 48 | 560 | 1100 | ||
| 5 | 60 | 160 | 330 | 650 | 1200 | |||
| 7 | 50 | 140 | 300 | 550 | 1100 | |||
| 10 | 40 | 100 | 230 | 450 | 900 | |||
| 14 | 42 | 140 | 300 | 550 | 1100 | |||
| 20 | 40 | 100 | 230 | 450 | 900 | |||
| 2 | 25 | 60 | 160 | 330 | 650 | 1200 | ||
| 35 | 50 | 140 | 300 | 550 | 1100 | |||
| 40 | 48 | 560 | 1100 | |||||
| 50 | 60 | 160 | 330 | 650 | 1200 | |||
| 70 | 50 | 140 | 300 | 550 | 1100 | |||
| 100 | 40 | 100 | 230 | 450 | 900 | |||
| 140 | 140 | 300 | 550 | 1100 | ||||
| 200 | 100 | 230 | 450 | 900 | ||||
| Emergency stop torque T2NOT2 | Nm | 12 | 3~200 | 3 times the rated output torque | ||||
| Rated input speed n1N | rpm | 12 | 3~200 | 3000 | 3000 | 3000 | 3000 | 3000 |
| Maximum input speed n1B | rpm | 12 | 3~200 | 6000 | 6000 | 6000 | 6000 | 6000 |
| Ultra-precision backlash PO | arcmin | 1 | 3~20 | ≤2 | ≤2 | ≤2 | ≤2 | |
| 2 | 25~200 | ≤4 | ≤4 | ≤4 | ≤4 | |||
| Precision backlash P1 | arcmin | 1 | 3~20 | ≤4 | ≤4 | ≤4 | ≤4 | ≤4 |
| 2 | 25~200 | ≤7 | ≤7 | ≤7 | ≤7 | |||
| Standard backlash P2 | arcmin | 1 | 3~20 | ≤6 | ≤6 | ≤6 | ≤6 | ≤6 |
| 2 | 25~200 | ≤9 | ≤9 | ≤9 | ≤9 | |||
| Torsional rigidity | Nm/arcmin | 12 | 3~200 | 13 | 31 | 82 | 151 | 440 |
| Maximum bending moment M2KB3 | Nm | 12 | 3~200 | 120 | 235 | 430 | 1300 | 3064 |
| Allowable axial force F2rB3 | N | 12 | 3~200 | 1050 | 2850 | 2990 | 10590 | 16660 |
| Service life | hr | 12 | 3~200 | 20000* | ||||
| Efficiency η | % | 1 | 3~20 | ≥95% | ||||
| 2 | 25~200 | ≥92% | ||||||
| Weight | Kg | 1 | 3~20 | 2.1 | 5.9 | 10.5 | 21.9 | 50.9 |
| 2 | 25~200 | 1.9 | 4.5 | 9.8 | 20.1 | 45.4 | ||
| Operating temperature | ℃ | 12 | 3~200 | -10℃~+90℃ | ||||
| Lubrication | 12 | 3~200 | Synthetic lubricating grease | |||||
| Ingress protection | 12 | 3~200 | IP65 | |||||
| Mounting direction | 12 | 3~200 | Any direction | |||||
| Noise distance 1m(n₁=3000rpm, no load) | dB(A) | 12 | 3~200 | ≤63 | ≤65 | ≤68 | ≤70 | ≤72 |
| Specifications | Node Number | Reduction Ratio | 064HDR | 090HDR | 110HDR | 140HDR | 200HDR | |
| Moment of inertia J₁ | Kg-cm² | 1 | 4~10 | 0.35 | 2.25 | 6.84 | 23.4 | 68.9 |
| 14 | 0.07 | 1.87 | 6.25 | 21.8 | 65.6 | |||
| 20 | 0.07 | 1.87 | 6.25 | 21.8 | 65.6 | |||
| 2 | 25~100 | 0.09 | 0.35 | 2.25 | 6.84 | 23.4 | ||
| 140~200 | 0.31 | 1.87 | 6.25 | 21.8 | ||||
1. Reduction ratio (i=Nin/Nout)
2. Maximum acceleration torque T2B=60% of T2NOT
3. When the output speed is 100rpm, it acts on the center position of the output shaft.
*Continuous operation, with a service life of 10000 hours.

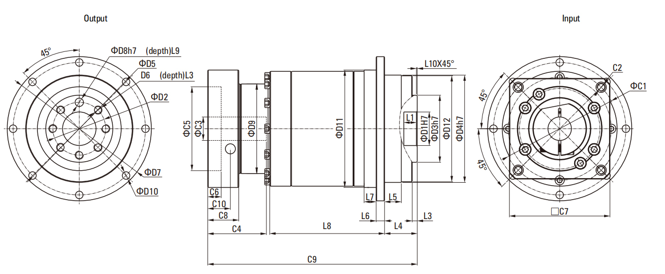
| Size | HD064 | HD090 | HD110 | HD140 | HD200 |
| D1H7 | 20 | 31.5 | 40 | 50 | 80 |
| D2 | 31.5 | 50 | 63 | 80 | 125 |
| D3h7 | 40 | 63 | 80 | 100 | 160 |
| D4h7 | 64 | 90 | 110 | 140 | 200 |
| D5 | 79 | 109 | 135 | 168 | 233 |
| D6 | 7×M5×0.8P | 7×M6×1P | 11×M6×1P | 11×M8×1.25P | 11×M10×1.5P |
| D7 | 86 | 118 | 145 | 179 | 247 |
| D8H7 | 5 | 6 | 6 | 8 | 10 |
| D9 | 55 | 77 | 90 | 113 | 138 |
| D10 | 8×4.5 | 8×5.5 | 8×5.5 | 12×6.6 | 12×9 |
| D11h7 | 70 | 95 | 120 | 152 | 212 |
| D12 | 63.2 | 89.2 | 109.2 | 139.2 | 199.2 |
| L1 | 8 | 12 | 12 | 12 | 16 |
| L2 | 8 | 13.5 | 13.5 | 17 | 22.5 |
| L3 | 3 | 6 | 6 | 9 | 8 |
| L4 | 19.5 | 30 | 29 | 38 | 50 |
| L5 | 7 | 10 | 10 | 14.6 | 15 |
| L6 | 4 | 7 | 8 | 10 | 12 |
| L7 | 7.7 | 8 | 10 | 12 | 15 |
| L8 | 28.5 | 27 | 37 | 62 | 69.5 |
| L9 | 6 | 7 | 7 | 7 | 10 |
| L10 | 0.5 | 1 | 1 | 1 | 1 |
| C14 | 70 | 100 | 130 | 165 | 215 |
| C24 | M5×0.8P | M6×1P | M8×1.25P | M10×1.5P | M12×1.75P |
| C34 | *≤14/≤16 | ≤19/≤24 | ≤32 | ≤38 | ≤48 |
| C44 | 34 | 40 | 50 | 60 | 85 |
| C54G6 | 50 | 80 | 110 | 130 | 180 |
| C64 | 8 | 4 | 5 | 9 | 6 |
| C74 | 60 | 90 | 115 | 142 | 190 |
| C84 | 19 | 17 | 19.5 | 22.5 | 29 |
| C94 | 82.5 | 99.5 | 121.5 | 151 | 199.5 |
| C104 | 13.5 | 10.75 | 13 | 15 | 20.75 |
| OD | 66×2 | 90×3 | 110×3 | 145×3 | 200×5 |
*HD060 5,10 offers optional C3 ≤ 16 reduction ratio.
Dimensional Drawing

Dimensional Table
| Size | HD064 | HD090 | HD110 | HD140 | HD200 |
| D1H7 | 20 | 31.5 | 40 | 50 | 80 |
| D2 | 31.5 | 50 | 63 | 80 | 125 |
| D3h7 | 40 | 63 | 80 | 100 | 160 |
| D4h7 | 64 | 90 | 110 | 140 | 200 |
| D5 | 79 | 109 | 135 | 168 | 233 |
| D6 | 7×M5×0.8P | 7×M6×1P | 11×M6×1P | 11×M8×1.25P | 11×M10×1.5P |
| D7 | 86 | 118 | 145 | 179 | 247 |
| D8H7 | 5 | 6 | 6 | 8 | 10 |
| D9 | 45.5 | 53.4 | 77 | 102 | 125 |
| D10 | 8×4.5 | 8×5.5 | 8×5.5 | 12×6.6 | 12×9 |
| D11h7 | 70 | 95 | 120 | 152 | 212 |
| D12 | 63.2 | 89.2 | 109.2 | 139.2 | 199.2 |
| L1 | 8 | 12 | 12 | 12 | 16 |
| L2 | 8 | 13.5 | 13.5 | 17 | 22.5 |
| L3 | 3 | 6 | 6 | 6 | 8 |
| L4 | 19.5 | 30 | 29 | 38 | 50 |
| L5 | 7 | 10 | 10 | 14.6 | 15 |
| L6 | 4 | 7 | 8 | 10 | 12 |
| L7 | 7.7 | 8 | 10 | 12 | 15 |
| L8 | 65 | 60 | 87.5 | 110 | 132.5 |
| L9 | 6 | 7 | 7 | 7 | 10 |
| L10 | 0.5 | 1 | 1 | 1 | 1 |
| C1⁵ | 46 | 70 | 100 | 130 | 165 |
| C2⁵ | M4×0.7P | M5×0.8P | M6×1P | M8×1.25P | M10×1.5P |
| C3⁵ | *≤11/≤12 | ≤14/≤15.875/≤16 | ≤19/≤24 | ≤32 | ≤38 |
| C4⁵ | 30 | 34 | 40 | 50 | 60 |
| C5⁵G6 | 30 | 50 | 80 | 110 | 130 |
| C6⁵ | 3.5 | 8 | 4 | 5 | 6 |
| C7⁵ | 48 | 60 | 90 | 115 | 142 |
| C8⁵ | 19.5 | 19 | 17 | 19.5 | 22.5 |
| C9⁵ | 108 | 134 | 160 | 204 | 248 |
| C10⁵ | 13.25 | 13.5 | 10.75 | 13 | 15 |
| OD | 66×2 | 90×3 | 110×3 | 145×3 | 200×5 |
*HD060 5,10 offers optional C3 ≤ 16 reduction ratio.
| Specifications | Node Number | Reduction Ratio | HD064 | HD090 | HD110 | HD140 | HD200 | |
| Rated output torque T2N | Nm | 1 | 4 | 48 | 560 | 1100 | ||
| 5 | 60 | 160 | 330 | 650 | 1200 | |||
| 7 | 50 | 140 | 300 | 550 | 1100 | |||
| 10 | 40 | 100 | 230 | 450 | 900 | |||
| 2 | 20 | 48 | 560 | 1100 | ||||
| 25 | 60 | 160 | 330 | 650 | 1200 | |||
| 35 | 50 | 140 | 300 | 550 | 1100 | |||
| 40 | 48 | 130 | 270 | 560 | 1100 | |||
| 50 | 60 | 160 | 330 | 650 | 1200 | |||
| 70 | 50 | 140 | 300 | 550 | 1100 | |||
| 100 | 40 | 100 | 230 | 450 | 900 | |||
| Emergency stop torque T2NOT2 | Nm | 12 | 4~100 | 3 times the rated output torque | ||||
| Rated input speed n1N | rpm | 12 | 4~100 | 3000 | 3000 | 3000 | 3000 | 3000 |
| Maximum input speed n1B | rpm | 12 | 4~100 | 6000 | 6000 | 6000 | 6000 | 6000 |
| Ultra-precision backhaul precision PO | arcmin | 1 | 4~10 | ≤1 | ≤1 | ≤1 | ≤1 | |
| 2 | 15~100 | One | ≤3 | ≤3 | ≤3 | |||
| Precision backhaul accuracy P1 | arcmin | 1 | 4~10 | ≤3 | ≤3 | ≤3 | ≤3 | ≤3 |
| 2 | 15~100 | ≤5 | ≤5 | ≤5 | ≤5 | ≤5 | ||
| Standard return accuracy P2 | arcmin | 1 | 4~10 | ≤5 | ≤5 | ≤5 | ≤5 | ≤5 |
| 2 | 15~100 | ≤7 | ≤7 | ≤7 | ≤7 | ≤7 | ||
| Torsional rigidity | Nm/arcmin | 12 | 4~100 | 13 | 31 | 82 | 151 | 440 |
| Maximum bending moment M2KB3 | Nm | 12 | 4~100 | 125 | 235 | 430 | 1300 | 3064 |
| Allowable axial force F2rB3 | N | 12 | 4~100 | 1050 | 2850 | 2990 | 10590 | 16660 |
| Service life | hr | 12 | 4~100 | 20000* | ||||
| Efficiency η | % | 1 | 4~10 | ≥97% | ||||
| 2 | 15~100 | ≥94% | ||||||
| Weight | Kg | 1 | 4~10 | 1.2 | 3.0 | 5.6 | 11.9 | 31.6 |
| 2 | 15~100 | 1.6 | 3.7 | 7.3 | 15.9 | 36.9 | ||
| Operating temperature | ℃ | 12 | 4~100 | -10℃~+90℃ | ||||
| Lubrication | 12 | 4~100 | Synthetic Lubricating Grease (NYOGEL 792D) | |||||
| Ingress protection | 12 | 4~100 | IP65 | |||||
| Mounting direction | 12 | 4~100 | Any direction | |||||
| The noise level is 1m away (n₁=3000rpm, no load) | dB(A) | 12 | 4~100 | ≤58 | ≤60 | ≤63 | ≤65 | ≤67 |
| Specifications | Node Number | Reduction Ratio | HD064 | HD090 | HD110 | HD140 | HD200 | |
| Moment of inertia J₁ | Kg-cm² | 1 | 4 | 0.14 | 7.54 | 25.03 | ||
| 5 | 0.13 | 0.47 | 2.71 | 7.42 | 23.29 | |||
| 7 | 0.13 | 0.45 | 2.62 | 7.14 | 22.48 | |||
| 10 | 0.13 | 0.44 | 2.57 | 7.03 | 22.51 | |||
| 2 | 20 | 0.03 | 2.71 | 7.42 | ||||
| 25 | 0.03 | 0.13 | 0.47 | 2.71 | 7.42 | |||
| 25 | 0.03 | 0.13 | 0.47 | 2.71 | 7.42 | |||
| 40 | 0.03 | 0.13 | 0.44 | 2.57 | 7.03 | |||
| 50 | 0.03 | 0.13 | 0.44 | 2.57 | 7.03 | |||
| 70 | 0.03 | 0.13 | 0.44 | 2.57 | 7.03 | |||
| 100 | 0.03 | 0.13 | 0.44 | 2.57 | 7.03 | |||
1. Reduction ratio (i=Nin/Nout)
2. Maximum acceleration torque T2B=60% of T2NOT
3. When the output speed is 100rpm, it acts on the center position of the output shaft.
*Continuous operation, with a service life of 10000 hours.

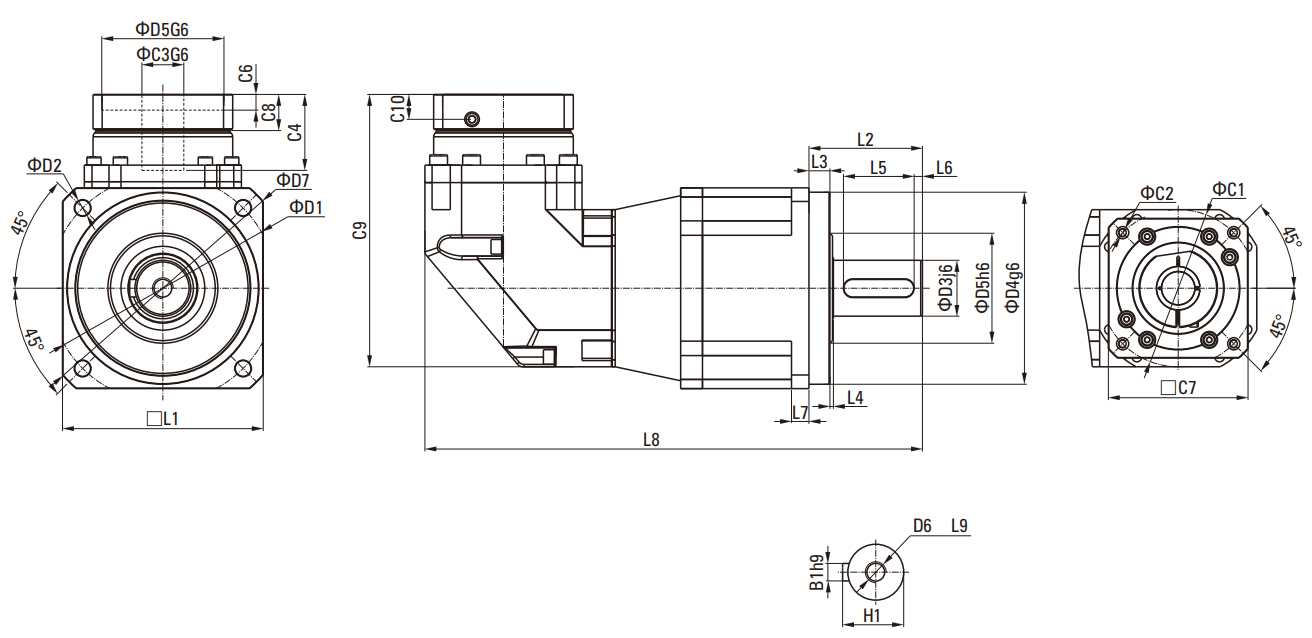
| Size | 070ZER | 090ZER | 120ZER | 155ZER |
| D1 | 62 | 80 | 108 | 140 |
| D2 | M5×0.8P | M6×1P | M8×1.25P | M10×1.5P |
| D3h6 | 16 | 22 | 32 | 40 |
| D4g6 | 52 | 68 | 90 | 120 |
| D5 | 22 | 30 | 40 | 75 |
| D6 | M5×0.8P | M8×1.25P | M12×1.75P | M16×2P |
| D7 | 70 | 104 | 130 | 162 |
| D8 | 70 | 90 | 120 | 155 |
| L1 | 33.5 | 38 | 50 | |
| L2 | 36 | 46 | 70 | 97 |
| L3 | 6.5 | 8.5 | 17.5 | 15 |
| L4 | 1 | 1 | 1.5 | 3 |
| L5 | 25 | 32 | 40 | 63 |
| L6 | 2 | 3 | 5 | 5 |
| L7 | 10 | 12 | 16 | 20 |
| L8 | 146 | 201 | 252 | 324.5 |
| L9 | 12.5 | 19 | 28 | 36 |
| C1 | 70 | 100 | 130 | 165 |
| C2 | M5×0.8P | M6×1P | M8×1.25P | M10×1.5P |
| C3 | ≤14/≤16 | ≤19/≤24 | ≤32 | ≤38 |
| C4 | 34 | 40 | 50 | 60 |
| C5 | 50 | 80 | 110 | 130 |
| C6 | 8 | 4 | 5 | 6 |
| C7 | 60 | 90 | 115 | 142 |
| C8 | 19 | 17 | 19.5 | 22.5 |
| C9 | 116.5 | 159.5 | 199 | 254.5 |
| C10 | 13.5 | 10.75 | 13 | 15 |
| C11 | 81.5 | 107.5 | 134 | 164.5 |
| B1h9 | 5 | 6 | 10 | 12 |
| H1 | 18 | 24.5 | 35 | 43 |
*070ZBR 5,10 offers C3 ≤ 16 optional reduction ratio.
Dimensional Drawing

Dimensional Table
| Size | 070ZER | 090ZER | 120ZER | 155ZEB |
| D1 | 62 | 80 | 108 | 140 |
| D2 | M5×0.8P | M6x1P | M8x1.25P | M10x1.5P |
| D3h6 | 16 | 22 | 32 | 40 |
| D4g6 | 52 | 68 | 90 | 120 |
| D5 | 22 | 30 | 40 | 75 |
| D6 | M5×0.8P | M8×1.25P | M12×1.75P | M16×2P |
| D7 | 70 | 104 | 130 | 162 |
| D8 | 70 | 90 | 120 | 155 |
| L1 | 33.5 | 38 | 50 | |
| L2 | 36 | 46 | 70 | 97 |
| L3 | 6.5 | 8.5 | 17.5 | 15 |
| L4 | 1 | 1 | 1.5 | 3 |
| L5 | 25 | 32 | 40 | 63 |
| L6 | 2 | 3 | 5 | 5 |
| L7 | 10 | 12 | 16 | 20 |
| L8 | 167.5 | 207.5 | 283 | 358 |
| L9 | 12.5 | 19 | 28 | 36 |
| C1 | 46 | 70 | 100 | 130 |
| C2 | M4×0.7P | M5×0.8P | M6×1P | M8×1.25P |
| C3 | ≤11/≤12 | ≤14/≤16 | ≤19/<24 | ≤32 |
| C4 | 30 | 34 | 40 | 50 |
| C5 | 30 | 50 | 80 | 110 |
| C6 | 3.5 | 8 | 4 | 5 |
| C7 | 48 | 60 | 90 | 115 |
| C8 | 19.5 | 19 | 17 | 19.5 |
| C9 | 109 | 133.5 | 172.5 | 215 |
| C10 | 13.5 | 10.75 | 13 | 15 |
| C11 | 81.5 | 107.5 | 134 | 164.5 |
| B1h9 | 5 | 6 | 10 | 12 |
| H1 | 18 | 24.5 | 35 | 43 |
*070ZBR 5,10 offers C3 ≤ 16 optional reduction ratio.
| Specifications | Node Number | Reduction Ratio | 070ZER | 0907FB | 120ZFR | 155ZER | |
| Rated output torque T2N | Nm | 1 | 3 | 36 | 90 | 195 | 342 |
| 4 | 48 | 120 | 260 | 520 | |||
| 5 | 60 | 150 | 325 | 650 | |||
| 6 | 55 | 150 | 310 | 600 | |||
| 7 | 50 | 140 | 300 | 550 | |||
| 8 | 45 | 120 | 260 | 500 | |||
| 9 | 40 | 100 | 230 | 450 | |||
| 10 | 40 | 100 | 230 | 450 | |||
| 14 | 42 | 140 | 300 | 550 | |||
| 20 | 40 | 100 | 230 | 450 | |||
| 2 | 25 | 150 | 325 | 650 | |||
| 30 | 150 | 310 | 600 | ||||
| 35 | 140 | 300 | 550 | ||||
| 40 | 120 | 260 | 500 | ||||
| 45 | 100 | 230 | 450 | ||||
| 50 | 100 | 230 | 650 | ||||
| 60 | 150 | 310 | 600 | ||||
| 70 | 140 | 300 | 550 | ||||
| 80 | 120 | 260 | 500 | ||||
| 90 | 100 | 230 | 450 | ||||
| 100 | 100 | 230 | 450 | ||||
| 120 | 150 | 310 | 600 | ||||
| 140 | 140 | 300 | 550 | ||||
| 160 | 120 | 260 | 550 | ||||
| 180 | 100 | 230 | 450 | ||||
| 200 | 100 | 230 | 450 | ||||
| Emergency stop torque T2NOT2 | Nm | 12 | 3~200 | 3 times rated | Output torque | ||
| Rated input speed n1N | rpm | 12 | 3~200 | 3000 | 3000 | 3000 | 3000 |
| Maximum input speed n1B | rpm | 12 | 3~200 | 6000 | 6000 | 6000 | 6000 |
| Ultra-precision backlash PO | arcmin | 1 | 3~20 | ≤2 | ≤2 | ≤2 | |
| 2 | 25~200 | ≤4 | ≤4 | ≤4 | |||
| Precision backlash P1 | arcmin | 1 | 3~20 | ≤4 | ≤4 | ≤4 | ≤4 |
| 2 | 25~200 | ≤7 | ≤7 | ≤7 | |||
| Standard backlash P2 | arcmin | 1 | 3~20 | ≤6 | ≤6 | ≤6 | ≤6 |
| 2 | 25~200 | ≤9 | ≤9 | ≤9 | |||
| Torsional rigidity | Nm/arcmin | 12 | 3~200 | 7 | 14 | 25 | 50 |
| Allowable radial force F2rB3 | N | 12 | 3~200 | 1530 | 3250 | 6700 | 9400 |
| Allowable axial force F2aB3 | N | 12 | 3~200 | 765 | 1625 | 3350 | 4700 |
| Service life | hr | 12 | 3~200 | 20000* | |||
| Efficiency η | % | 1 | 3~20 | ≥97% | |||
| 2 | 25~200 | ≥94% | |||||
| Weight | Kg | 1 | 3~20 | 2.1 | 6.4 | 13 | 24.5 |
| 2 | 25~200 | 7.8 | 14.2 | 27.5 | |||
| Operating temperature | ℃ | 12 | 3~200 | -10℃~+90℃ | |||
| lubrication | 12 | 3~200 | Synthetic lubricating grease | ||||
| Ingress protection | 12 | 3~200 | IP65 | ||||
| Mounting direction | 12 | 3~200 | Any direction | ||||
| The noise level is 1m away (n₁=3000rpm, no load) | dB(A) | 12 | 3~200 | ≤63 | ≤65 | ≤68 | ≤70 |
| Specifications | Node Number | Reduction Ratio | 060ZBR | 090ZBR | 115ZBR | 142ZBR | |
| Moment of inertia J₁ | Kg-cm² | 1 | 3~10 | 0.35 | 2.25 | 6.84 | 23.4 |
| 14 | 0.07 | 1.87 | 6.25 | 21.8 | |||
| 20 | 0.07 | 1.87 | 6.25 | 21.8 | |||
| 2 | 25~100 | 0.09 | 0.35 | 2.25 | 6.84 | ||
| 120~200 | 0.31 | 1.87 | 6.25 | ||||
1. Reduction ratio (i=Nin/Nout)
2. Maximum acceleration torque T2B=60% of T2NOT
3. When the output speed is 100rpm, it acts on the center position of the output shaft.
*Continuous operation, with a service life of 10000 hours.

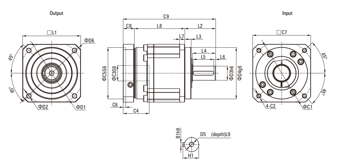
| Size | 050ZE | 070ZE | 090ZE | 120ZE | 155ZE | 205ZE |
| D1 | 44 | 62 | 80 | 108 | 140 | 184 |
| D2 | M5×0.7P | M5×0.8P | M6×1P | M8×1.25P | M10×1.5P | M12×1.75P |
| D3h6 | 12 | 16 | 22 | 32 | 40 | 55 |
| D4g6 | 35 | 52 | 68 | 90 | 120 | 160 |
| D5 | M4×0.7P | M5×0.8P | M8×1.25P | M12×1.75P | M16×2P | M20×2.5P |
| D6 | 53 | 70 | 104 | 130 | 162 | 205 |
| D7 | 50 | 70 | 90 | 120 | 155 | 205 |
| L1 | 31.5 | 36 | 50 | |||
| L2 | 24.5 | 36 | 46 | 70 | 97 | 100 |
| L3 | 4 | 6 | 8 | 17 | 15 | 15 |
| L4 | 1 | 28 | 36 | 51 | 79 | 82 |
| L5 | 14 | 25 | 32 | 40 | 70 | 70 |
| L6 | 2 | 2 | 3 | 5 | 4 | 6 |
| L7 | 8 | 10 | 12 | 16 | 20 | 22 |
| L8 | 47 | 66.5 | 80 | 96.5 | 119.5 | 154 |
| L9 | 4.5 | 12.5 | 19 | 28 | 36 | 42 |
| C1 | 10 | 70 | 100 | 130 | 165 | 215 |
| C2 | M4×0.7P | M5×0.8P | M6×1P | M8×1.25P | M10×1.5F | M12×1.75P |
| C3 | *≤11/≤12 | *≤14/≤16 | ≤19/≤24 | ≤32 | ≤35/≤38 | ≤42/≤48 |
| C4 | 30 | 35 | 40.5 | 51 | 60 | 85 |
| C5G6 | 30 | 50 | 80 | 110 | 130 | 180 |
| C6 | 3.5 | 8 | 4 | 5 | 6 | 6 |
| C7 | 48 | 60 | 90 | 115 | 142 | 190 |
| C8 | 19.5 | 19.5 | 17.5 | 20 | 22.5 | 29 |
| C9 | 91 | 117 | 143.5 | 186.5 | 239 | 288 |
| B1h9 | 4 | 5 | 6 | 10 | 12 | 16 |
| H1 | 14 | 18 | 24.5 | 35 | 43 | 59 |
*070ZE 5,10 offers C3 ≤ 16 optional reduction ratio.
Dimensional Drawing

Dimensional Table
| Size | 050ZE | 070ZE | 090ZE | 120ZE | 155ZE | 205ZE |
| D1 | 44 | 62 | 80 | 108 | 140 | 184 |
| D2 | M4×0.7P | M5×0.8P | M6×1P | M8×1.25P | M10×1.5P | M12×1.75P |
| D3h6 | 12 | 16 | 22 | 32 | 40 | 55 |
| D4g6 | 35 | 52 | 68 | 90 | 120 | 160 |
| D5 | M4×0.7P | M5×0.8P | M8×1.25P | M12×1.75P | M16×2P | M20×2.5P |
| D6 | 53 | 70 | 104 | 130 | 162 | 205 |
| D7 | 50 | 70 | 90 | 120 | 155 | 205 |
| L1 | 31.5 | 36 | 50 | |||
| L2 | 24.5 | 36 | 46 | 70 | 97 | 100 |
| L3 | 4 | 6.5 | 8 | 17 | 15 | 15 |
| L4 | 1 | 1 | 36 | 51 | 79 | 82 |
| L5 | 14 | 25 | 32 | 40 | 63 | 70 |
| L6 | 2 | 2 | 3 | 5 | 5 | 6 |
| L7 | 8 | 10 | 12 | 16 | 20 | 22 |
| L8 | 74 | 87.8 | 118 | 138 | 169.5 | 207.5 |
| L9 | 4.5 | 4.8 | 19 | 28 | 36 | 42 |
| C1 | 46 | 46 | 100 | 130 | 165 | |
| C2 | M4×0.7P | M4×0.7P | M5×0.8P | M6×1P | M8×1.25P | M10×1.5F |
| C3 | ≤11/≤12 | ≤11/≤12 | ≤14/≤15.875/≤16 | ≤19/≤24 | ≤32 | ≤35/≤38 |
| C4 | 30 | 30 | 35 | 40.5 | 50 | 60 |
| C5G6 | 30 | 30 | 50 | 80 | 110 | 130 |
| C6 | 3.5 | 3.5 | 8 | 4 | 5 | 6 |
| C7 | 48 | 48 | 60 | 90 | 115 | 142 |
| C8 | 19.5 | 19.5 | 19.5 | 17.5 | 12.5 | 22.5 |
| C9 | 118 | 143 | 183.5 | 225.5 | 283.5 | 335 |
| B1h9 | 4 | 5 | 6 | 10 | 12 | 16 |
| H1 | 14 | 18 | 24.5 | 35 | 43 | 59 |
| Specifications | Node Number | Reduction Ratio | 050ZE | 070ZE | 090ZE | 120ZE | 155ZE | 205ZE | 235ZE | |
| Rated output torque T2N | Nm | 1 | 3 | 55 | 130 | 208 | 342 | 588 | 1140 | |
| 4 | 19 | 50 | 140 | 290 | 542 | 1050 | 1700 | |||
| 5 | 22 | 60 | 160 | 330 | 650 | 1200 | 2000 | |||
| 6 | 20 | 55 | 150 | 310 | 600 | 1100 | 1900 | |||
| 7 | 19 | 50 | 140 | 300 | 550 | 1100 | 1800 | |||
| 8 | 17 | 45 | 120 | 260 | 500 | 1000 | 1600 | |||
| 9 | 14 | 40 | 100 | 230 | 450 | 900 | 1500 | |||
| 10 | 14 | 40 | 100 | 230 | 450 | 900 | 1500 | |||
| 2 | 15 | 55 | 130 | 208 | 342 | 588 | 1140 | |||
| 20 | 19 | 50 | 140 | 290 | 542 | 1050 | 1700 | |||
| 25 | 22 | 60 | 160 | 330 | 650 | 1200 | 2000 | |||
| 30 | 20 | 55 | 150 | 310 | 600 | 1100 | 1900 | |||
| 35 | 19 | 50 | 140 | 300 | 550 | 1100 | 1800 | |||
| 40 | 17 | 45 | 120 | 260 | 500 | 1000 | 1600 | |||
| 45 | 14 | 40 | 100 | 230 | 450 | 900 | 1500 | |||
| 50 | 22 | 60 | 160 | 330 | 650 | 1200 | 2000 | |||
| 60 | 20 | 55 | 150 | 310 | 600 | 1100 | 1900 | |||
| 70 | 19 | 50 | 140 | 300 | 550 | 1100 | 1800 | |||
| 80 | 17 | 45 | 120 | 260 | 500 | 1000 | 1600 | |||
| 90 | 14 | 40 | 100 | 230 | 450 | 900 | 1500 | |||
| 100 | 14 | 40 | 100 | 230 | 450 | 900 | 1500 | |||
| Emergency stop torque T2NOT2 | Nm | 12 | 3~100 | 3 times the rated output torque | ||||||
| Rated input speed n1N | rpm | 12 | 3~100 | 3000 | 3000 | 3000 | 3000 | 3000 | 3000 | 3000 |
| Maximum input speed n1B | rpm | 12 | 3~100 | 6000 | 6000 | 6000 | 6000 | 6000 | 6000 | 4000 |
| Ultra-precision backhaul precision PO | arcmin | 1 | 3~10 | ≤1 | ≤1 | ≤1 | ≤1 | |||
| 2 | 15~100 | One | ≤3 | ≤3 | ≤3 | ≤3 | ||||
| Precision backhaul accuracy P1 | arcmin | 1 | 3~10 | ≤3 | ≤3 | ≤3 | ≤3 | ≤3 | ≤3 | ≤3 |
| 2 | 15~100 | ≤5 | ≤5 | ≤5 | ≤5 | ≤5 | ≤5 | ≤5 | ||
| Standard return accuracy P2 | arcmin | 1 | 3~10 | ≤5 | ≤5 | ≤5 | ≤5 | ≤5 | ≤5 | ≤5 |
| 2 | 15~100 | ≤7 | ≤7 | ≤7 | ≤7 | ≤7 | ≤7 | ≤7 | ||
| Torsional rigidity | Nm/arcmin | 12 | 3~100 | 3 | 7 | 14 | 25 | 50 | 145 | 225 |
| Allowable radial force F2rB3 | N | 12 | 3~100 | 702 | 1377 | 2985 | 6100 | 8460 | 13050 | 8700 |
| Allowable axial force F2aB3 | N | 12 | 3~100 | 390 | 765 | 1625 | 3350 | 4700 | 7250 | 18000 |
| Service life | hr | 12 | 3~100 | 20000 | ||||||
| Efficiency η | % | 1 | 3~10 | ≥97% | ||||||
| 2 | 15~100 | ≥94% | ||||||||
| Weight | Kg | 1 | 3~10 | 0.6 | 1.4 | 3.3 | 6.9 | 13 | 31 | 53 |
| 2 | 15~100 | 0.9 | 1.6 | 4.7 | 8.7 | 17 | 35 | 66 | ||
| Operating temperature | ℃ | 12 | 3~100 | -10℃~+90℃ | ||||||
| Lubrication | 12 | 3~100 | Synthetic lubricating grease | |||||||
| Ingress protection | 12 | 3~100 | IP65 | |||||||
| Mounting direction | 12 | 3~100 | Any direction | |||||||
| Noise level distance 1m(n1=3000rpm, no load) | dB(A) | 12 | 3~100 | ≤56 | ≤58 | ≤60 | ≤63 | ≤65 | ≤67 | ≤70 |
| Specifications | Node Number | Reduction Ratio | 050ZE | 070ZE | 090ZE | 120ZE | 155ZE | 205ZE | 235ZE | |
| Moment of inertia J₁ | Kg-cm² | 1 | 3 | 0.16 | 0.61 | 3.25 | 9.21 | 28.98 | 69.61 | |
| 4 | 0.03 | 0.14 | 0.48 | 2.74 | 7.54 | 23.67 | 54.37 | |||
| 5 | 0.03 | 0.13 | 0.47 | 2.71 | 7.42 | 23.29 | 53.27 | |||
| 6 | 0.03 | 0.13 | 0.45 | 2.65 | 7.25 | 22.75 | 51.72 | |||
| 7 | 0.03 | 0.13 | 0.45 | 2.62 | 7.14 | 22.48 | 50.97 | |||
| 8 | 0.03 | 0.13 | 0.44 | 2.58 | 7.07 | 22.59 | 50.84 | |||
| 9 | 0.03 | 0.13 | 0.44 | 2.57 | 7.04 | 22.53 | 50.63 | |||
| 10 | 0.03 | 0.13 | 0.44 | 2.57 | 7.03 | 22.51 | 50.56 | |||
| 2 | 15 | 0.03 | 0.13 | 0.47 | 2.71 | 7.42 | 23.29 | |||
| 20 | 0.03 | 0.03 | 0.13 | 0.47 | 2.71 | 7.42 | 23.29 | |||
| 25 | 0.03 | 0.03 | 0.13 | 0.47 | 2.71 | 7.42 | 23.29 | |||
| 30 | 0.03 | 0.03 | 0.13 | 0.47 | 2.71 | 7.42 | 23.29 | |||
| 35 | 0.03 | 0.03 | 0.13 | 0.47 | 2.71 | 7.42 | 23.29 | |||
| 40 | 0.03 | 0.03 | 0.13 | 0.47 | 2.71 | 7.42 | 23.29 | |||
| 45 | 0.03 | 0.03 | 0.13 | 0.47 | 2.71 | 7.42 | 23.29 | |||
| 50 | 0.03 | 0.03 | 0.13 | 0.44 | 2.57 | 7.03 | 22.51 | |||
| 60 | 0.03 | 0.03 | 0.13 | 0.44 | 2.57 | 7.03 | 22.51 | |||
| 70 | 0.03 | 0.03 | 0.13 | 0.44 | 2.57 | 7.03 | 22.51 | |||
| 80 | 0.03 | 0.03 | 0.13 | 0.44 | 2.57 | 7.03 | 22.51 | |||
| 90 | 0.03 | 0.03 | 0.13 | 0.44 | 2.57 | 7.03 | 22.51 | |||
| 100 | 0.03 | 0.03 | 0.13 | 0.44 | 2.57 | 7.03 | 22.51 | |||
1. Reduction ratio (i=Nin/Nout)
2. Maximum acceleration torque T2B=60% of T2NOT
3. When the output speed is 100rpm, it acts on the center position of the output shaft.
*Continuous operation, with a service life of 10000 hours.

| Size | 060ZBR | 090ZBB | 115ZBR | 142ZBR | 180ZBR |
| D1 | 70 | 100 | 130 | 165 | 215 |
| D2 | 5.5 | 6.6 | 9 | 11 | 13 |
| D3h6 | 16 | 22 | 32 | 40 | 55 |
| D4g6 | 50 | 80 | 110 | 130 | 160 |
| D5 | 45 | 65 | 95 | 75 | 95 |
| D6 | M5×0.8P | M8×1.25P | M12×1.75P | M16×2P | M20×2.5P |
| D7 | 80 | 116 | 152 | 185 | 240 |
| L1 | 60 | 90 | 115 | 142 | 180 |
| L2 | 37 | 48 | 65 | 97 | 105 |
| L3 | 7 | 10 | 12 | 15 | 20 |
| L4 | 1.5 | 1.5 | 2 | 3 | 3 |
| L5 | 25 | 32 | 40 | 63 | 70 |
| L6 | 2 | 3 | 5 | 5 | 6 |
| L7 | 6 | 8 | 10 | 12 | 15 |
| L8 | 145 | 203 | 259 | 333 | 394 |
| L9 | 12.5 | 19 | 28 | 36 | 42 |
| C14 | 70 | 100 | 130 | 165 | 215 |
| C24 | M5×0.8P | M6×1P | M8×1.25P | M10×1.5P | M12×1.75P |
| C34 | *≤14/≤16 | ≤19/≤24 | ≤32 | ≤38 | ≤48 |
| C44 | 30 | 40 | 50 | 60 | 85 |
| C54G6 | 50 | 80 | 110 | 130 | 180 |
| C64 | 8 | 4 | 5 | 6 | 6 |
| C74 | 60 | 90 | 115 | 142 | 190 |
| C84 | 19 | 17 | 19.5 | 22.5 | 29 |
| Cg4 | 111.5 | 152.5 | 191.5 | 235.5 | 303.5 |
| C104 | 13.5 | 10.75 | 13 | 15 | 20.75 |
| B1h9 | 5 | 6 | 10 | 12 | 16 |
| H1 | 18 | 24.5 | 35 | 43 | 59 |
*070ZBR 5,10 offers C3 ≤ 16 optional reduction ratio.
Dimensional Drawing

Dimensional Table
| Size | 060(A)ZBR | 090ZBB | 115ZBR | 142ZBR | 180ZBB | 180ZBR |
| D1 | 70 | 100 | 130 | 165 | 215 | 250 |
| D2 | 5.5 | 6.6 | 9 | 11 | 13 | 17 |
| D3g6 | 16 | 22 | 32 | 40 | 55 | 75 |
| D4g6 | 50 | 80 | 110 | 130 | 160 | 180 |
| D5 | 45 | 65 | 95 | 75 | 95 | 115 |
| D6 | M5×0.8P | M8×1.25P | M12×1.75P | M16×2P | M20×2.5P | M20×2.5P |
| D7 | 80 | 116 | 152 | 185 | 240 | 292 |
| L1 | 60 | 90 | 115 | 142 | 180 | 220 |
| L2 | 37 | 48 | 65 | 97 | 105 | 138 |
| L3 | 7 | 10 | 12 | 15 | 20 | 30 |
| L4 | 1.5 | 1.5 | 2 | 3 | 3 | 3 |
| L5 | 25 | 32 | 40 | 63 | 70 | 90 |
| L6 | 2 | 3 | 5 | 5 | 6 | 7 |
| L7 | 6 | 8 | 10 | 12 | 15 | 20 |
| L8 | 170 | 206.5 | 285 | 365 | 394 | 521 |
| L9 | 12.5 | 19 | 28 | 36 | 42 | 42 |
| C1 | 70 | 70 | 100 | 130 | 165 | 215 |
| C2 | M5×0.8P | M5×0.8P | M6×1P | M8×1.25P | M10×1.5P | M12×1.75P |
| C3g6 | ≤14/≤16 | ≤14/≤16 | ≤19/≤24 | ≤32 | ≤38 | ≤48 |
| C4 | 34 | 34 | 40 | 50 | 60 | 85 |
| C5g6 | 50 | 50 | 80 | 110 | 130 | 180 |
| C6 | 8 | 8 | 4 | 5 | 6 | 6 |
| C7 | 60 | 60 | 90 | 115 | 142 | 190 |
| C8 | 19 | 19 | 17 | 19.5 | 22.5 | 29 |
| C9 | 111 | 126.5 | 165 | 205 | 254.5 | 323.5 |
| C10 | 13.5 | 13.5 | 10.75 | 13 | 15 | 20.75 |
| B1h9 | 5 | 6 | 10 | 12 | 16 | 20 |
| H1 | 18 | 24.5 | 35 | 43 | 59 | 79.5 |
*070ZBR 5,10 offers C3 ≤ 16 optional reduction ratio.
| Specifications | Node Number | Reduction Ratio | 060ZBR | 090ZBR | 115ZBR | 142ZBR | 180ZBR | 220ZBR | |
| Rated output torque T2N | Nm | 1 | 3 | 36 | 90 | 195 | 342 | 588 | 1140 |
| 4 | 48 | 120 | 260 | 520 | 1040 | 1680 | |||
| 5 | 60 | 150 | 325 | 650 | 1200 | 2000 | |||
| 6 | 55 | 150 | 310 | 600 | 1100 | 1900 | |||
| 7 | 50 | 140 | 300 | 550 | 1100 | 1800 | |||
| 8 | 45 | 120 | 260 | 500 | 1000 | 1600 | |||
| 9 | 40 | 100 | 230 | 450 | 900 | 1500 | |||
| 10 | 40 | 100 | 230 | 450 | 900 | 1500 | |||
| 14 | 42 | 140 | 300 | 550 | 1100 | 1800 | |||
| 20 | 40 | 100 | 230 | 450 | 900 | 1500 | |||
| 2 | 25 | 150 | 325 | 650 | 1200 | 2000 | |||
| 30 | 150 | 310 | 600 | 1100 | 1900 | ||||
| 35 | 140 | 300 | 550 | 1100 | 1800 | ||||
| 40 | 120 | 260 | 500 | 1000 | 1600 | ||||
| 45 | 100 | 230 | 450 | 900 | 1500 | ||||
| 50 | 100 | 230 | 650 | 1200 | 2000 | ||||
| 60 | 150 | 310 | 600 | 1100 | 1900 | ||||
| 70 | 140 | 300 | 550 | 1100 | 1800 | ||||
| 80 | 120 | 260 | 500 | 1000 | 1600 | ||||
| 90 | 100 | 230 | 450 | 900 | 1500 | ||||
| 100 | 100 | 230 | 450 | 900 | 1500 | ||||
| 120 | 150 | 310 | 600 | 1100 | 1900 | ||||
| 140 | 140 | 300 | 550 | 1100 | 1800 | ||||
| 160 | 120 | 260 | 550 | 1000 | 1600 | ||||
| 180 | 100 | 230 | 450 | 900 | 1500 | ||||
| 200 | 100 | 230 | 450 | 900 | 1500 | ||||
| Emergency stop torque T2NOT2 | Nm | 12 | 3~200 | 3 times the rated output torque | |||||
| Rated input speed n1N | rpm | 12 | 3~200 | 3000 | 3000 | 3000 | 3000 | 3000 | 2000 |
| The maximum input speed is n1B | rpm | 12 | 3~200 | 6000 | 6000 | 6000 | 6000 | 6000 | 4000 |
| Ultra-precision backlash PO | arcmin | 1 | 3~20 | ≤2 | ≤2 | ≤2 | ≤2 | ≤2 | |
| 2 | 25~200 | ≤4 | ≤4 | ≤4 | ≤4 | ≤4 | |||
| Precision backlash P1 | arcmin | 1 | 3~20 | ≤4 | ≤4 | ≤4 | ≤4 | ≤4 | ≤4 |
| 2 | 25~200 | ≤7 | ≤7 | ≤7 | ≤7 | ≤7 | |||
| Standard backlash P2 | arcmin | 1 | 3~20 | ≤6 | ≤6 | ≤6 | ≤6 | ≤6 | ≤6 |
| 2 | 25~200 | ≤9 | ≤9 | ≤9 | ≤9 | ≤9 | |||
| Torsional rigidity | Nm/arcmin | 12 | 3~200 | 7 | 14 | 25 | 50 | 145 | 145 |
| Allowable radial force F2rB3 | N | 12 | 3~200 | 1530 | 3250 | 6700 | 9400 | 14500 | 50000 |
| Allowable axial force F2aB3 | N | 12 | 3~200 | 765 | 1625 | 3350 | 4700 | 7250 | 25000 |
| Service life | hr | 12 | 3~200 | 20000* | |||||
| Efficiency η | % | 1 | 3~20 | ≥97% | |||||
| 2 | 25~200 | ≥94% | |||||||
| Weight | Kg | 1 | 3~20 | 2.1 6.4 13 24.5 51 51 | |||||
| 2 | 25~200 | 7.8 14.2 27.5 54 95 | |||||||
| Operating temperature | ℃ | 12 | 3~200 | -10℃~+90℃ | |||||
| Lubrication | 12 | 3~200 | Synthetic lubricating grease | ||||||
| Ingress protection | 12 | 3~200 | IP65 | ||||||
| Mounting direction | 12 | 3~200 | Any direction | ||||||
| The noise level is 1m(n1= 3000rpm, no load) | dB(A) | 12 | 3~200 | ≤63 | ≤65 | ≤68 | ≤70 | ≤72 | ≤72 |
| Specifications | Node Number | Reduction Ratio | 060ZBR | 090ZBR | 115ZBR | 142ZBR | 180ZBR | 220ZBR | |
| Moment of inertia J₁ | Kg-cm² | 1 | 3~10 | 0.35 | 2.25 | 6.84 | 23.4 | 68.9 | 68.9 |
| 14 | 0.07 | 1.87 | 6.25 | 21.8 | 65.6 | 65.6 | |||
| 20 | 0.07 | 1.87 | 6.25 | 21.8 | 65.6 | 65.6 | |||
| 2 | 25~100 | 0.35 | 6.25 | 21.8 | 65.6 | 65.6 | |||
| 120~200 | 0.31 | 6.25 | 21.8 | 65.6 | 65.6 | ||||
1. Reduction ratio (i=Nin/Nout)
2. Maximum acceleration torque T2B=60% of T2NOT
3. When the output speed is 100rpm, it acts on the center position of the output shaft.
*Continuous operation, with a service life of 10000 hours

| Size | 042ZB | 060ZB | 090ZB | 115ZB | 142ZB | 180ZB | 220ZB |
| D1 | 50 | 70 | 100 | 130 | 165 | 215 | 250 |
| D2 | 3.4 | 5.5 | 6.6 | 9 | 11 | 13 | 17 |
| D3h6 | 13 | 16 | 22 | 32 | 40 | 55 | 75 |
| D4g6 | 35 | 50 | 80 | 110 | 130 | 160 | 180 |
| D5 | M4×0.7P | M5×0.8P | M8×1.25P | M12×1.75P | M16×2P | M20×2.5P | M20×2.5P |
| D6 | 56 | 80 | 116 | 152 | 185 | 240 | 292 |
| L1 | 42 | 60 | 90 | 115 | 142 | 180 | 220 |
| L2 | 26 | 37 | 48 | 65 | 97 | 105 | 138 |
| L3 | 5.5 | 7 | 10 | 12 | 15 | 20 | 30 |
| L4 | 1 | 28 | 35.5 | 51 | 79 | 82 | 105 |
| L5 | 16 | 25 | 32 | 40 | 70 | 70 | 90 |
| L6 | 2 | 2 | 2 | 5 | 4 | 6 | 7 |
| L7 | 4 | 6 | 8 | 10 | 15 | 20 | 25 |
| L8 | 31 | 65.5 | 78 | 101.5 | 119.5 | 154 | 163.5 |
| L9 | 4.8 | 12.5 | 19 | 28 | 36 | 42 | 42 |
| C1 | 46 | 70 | 100 | 130 | 165 | 215 | 235 |
| C2 | M4×0.7P | M5x0.8P | M6×1P | M8×1.25P | M10×1.5P | M12×1.75P | M12×1.75P |
| C3 | *≤11/≤12 | *≤14/≤16 | ≤19/≤24 | ≤32 | ≤35/≤38 | ≤42/≤48 | ≤55 |
| C4 | 25 | 35 | 40.5 | 51 | 60 | 85 | 116 |
| C5G6 | 30 | 50 | 80 | 110 | 130 | 180 | 200 |
| C6 | 3.5 | 8 | 4 | 5 | 6 | 6 | 6 |
| C7 | 42 | 60 | 90 | 115 | 142 | 190 | 220 |
| C8 | 29.5 | 19.5 | 17.5 | 20 | 22.5 | 29 | 63 |
| C9 | 114 | 122 | 143.5 | 186.5 | 239 | 288 | 364.5 |
| B1h9 | 5 | 5 | 6 | 10 | 12 | 16 | 20 |
| H1 | 15 | 18 | 24.5 | 35 | 43 | 59 | 79.5 |
*The 060ZB 5,10 reduction ratio offers the option of C3 ≤ 16.
Dimensional Drawing

Dimensional Table
| Size | 042ZB | 060(A)ZB | 090ZB | 090(A)ZB | 115ZB | 142ZB | 180ZB | 220ZB |
| D1 | 50 | 70 | 100 | 130 | 165 | 215 | 250 | |
| D2 | 3.4 | 5.5 | 6.6 | 9 | 11 | 13 | 17 | |
| D3h6 | 13 | 16 | 22 | 32 | 40 | 55 | 75 | |
| D4g6 | 35 | 50 | 80 | 110 | 130 | 160 | 180 | |
| D5 | M4×0.7P | M5×0.8P | M8×1.25P | M12×1.75P | M16×2P | M20×2.5P | M20×2.5P | |
| D6 | 56 | 80 | 116 | 152 | 185 | 240 | 292 | |
| L1 | 42 | 60 | 90 | 115 | 142 | 180 | 220 | |
| L2 | 26 | 37 | 48 | 65 | 97 | 105 | 138 | |
| L3 | 5.5 | 7 | 10 | 12 | 15 | 20 | 30 | |
| L4 | 1 | 28 | 36 | 51 | 79 | 82 | 105 | |
| L5 | 16 | 25 | 32 | 40 | 70 | 70 | 90 | |
| L6 | 2 | 2 | 3 | 5 | 4 | 6 | 7 | |
| L7 | 4 | 6 | 8 | 10 | 15 | 20 | 25 | |
| L8 | 58.5 | 102.5 | 116 | 126 | 143 | 169.5 | 207.5 | 246 |
| L9 | 10 | 12.5 | 19 | 28 | 36 | 42 | 42 | |
| C1 | 46 | 70 | 70 | 100 | 100 | 130 | 165 | 215 |
| C2 | M4×0.7P | M5×0.8P | M5×0.8P | M6×1P | M6×1P | M8×1.25P | M10×1.5P | M12×1.75P |
| C3 | ≤11/≤12 | ≤14/≤16 | ≤14/≤15.875/≤16 | ≤19/≤24 | <19/<24 | ≤32 | ≤35/≤38 | ≤42/≤48 |
| C4 | 25 | 35 | 35 | 40.5 | 40 | 50 | 60 | 85 |
| C5G6 | 30 | 50 | 50 | 80 | 80 | 110 | 130 | 180 |
| C6 | 3.5 | 8 | 8 | 4 | 4 | 5 | 6 | 6 |
| C7 | 42 | 60 | 60 | 90 | 90 | 115 | 142 | 190 |
| C8 | 29.5 | 19.5 | 19.5 | 17.5 | 17.5 | 12.5 | 22.5 | 29 |
| C9 | 114 | 159 | 183.5 | 191.5 | 225.5 | 283.5 | 335 | 409 |
| B1h9 | 5 | 5 | 6 | 10 | 12 | 16 | 20 | |
| H1 | 15 | 18 | 24.5 | 35 | 43 | 59 | 79.5 | |
| Specifications | Node Number | Reduction Ratio | 042ZB | 060ZB | 060(A)ZB | 090ZB | 090(A)ZB | 115ZB | 142ZB | 180ZB | 220ZB | |
| Rated output torque T2N | Nm | 1 | 3 | 55 | 130 | 208 | 342 | 588 | 1140 | |||
| 4 | 19 | 50 | 140 | 290 | 542 | 1050 | 1700 | |||||
| 5 | 22 | 60 | 160 | 330 | 650 | 1200 | 2000 | |||||
| 6 | 20 | 55 | 150 | 310 | 600 | 1100 | 1900 | |||||
| 7 | 19 | 50 | 140 | 300 | 550 | 1100 | 1800 | |||||
| 8 | 17 | 45 | 120 | 260 | 500 | 1000 | 1600 | |||||
| 9 | 14 | 40 | 100 | 230 | 450 | 900 | 1500 | |||||
| 10 | 14 | 40 | 100 | 230 | 450 | 900 | 1500 | |||||
| 2 | 15 | 55 | 55 | 130 | 130 | 208 | 342 | 588 | 1140 | |||
| 20 | 19 | 50 | 50 | 140 | 140 | 290 | 542 | 1050 | 1700 | |||
| 25 | 22 | 60 | 60 | 160 | 160 | 330 | 650 | 1200 | 2000 | |||
| 30 | 20 | 55 | 55 | 150 | 150 | 310 | 600 | 1100 | 1900 | |||
| 35 | 19 | 50 | 50 | 140 | 140 | 300 | 550 | 1100 | 1800 | |||
| 40 | 17 | 45 | 45 | 120 | 120 | 260 | 500 | 1000 | 1600 | |||
| 45 | 14 | 40 | 40 | 100 | 100 | 230 | 450 | 900 | 1500 | |||
| 50 | 22 | 60 | 60 | 160 | 160 | 330 | 650 | 1200 | 2000 | |||
| 60 | 20 | 55 | 55 | 150 | 150 | 310 | 600 | 1100 | 1900 | |||
| 70 | 19 | 50 | 50 | 140 | 140 | 300 | 550 | 1100 | 1800 | |||
| 80 | 17 | 45 | 45 | 120 | 120 | 260 | 500 | 1000 | 1600 | |||
| 90 | 14 | 40 | 40 | 100 | 100 | 230 | 450 | 900 | 1500 | |||
| 100 | 14 | 40 | 40 | 100 | 100 | 230 | 450 | 900 | 1500 | |||
| Emergency stop torque T2NOT2 | Nm | 12 | 3~100 | 3 times the rated output torque | ||||||||
| Rated input speed n1N | rpm | 12 | 3~100 | 3000 | 3000 | 3000 | 3000 | 3000 | 3000 | 3000 | 3000 | 2000 |
| The maximum input speed is n1B | rpm | 12 | 3~100 | 6000 | 6000 | 6000 | 6000 | 6000 | 6000 | 6000 | 6000 | 4000 |
| Ultra-precision return accuracy P0 | arcmin | 3~10 | ≤1 | ≤1 | ≤1 | ≤1 | ||||||
| 2 | 15~100 | ≤3 | ≤3 | ≤3 | ≤3 | |||||||
| Precision backhaul accuracy P1 | arcmin | 1 | 3~10 | ≤3 | ≤3 | ≤3 | ≤3 | ≤3 | ≤3 | ≤3 | ||
| 2 | 15~100 | ≤5 | ≤5 | ≤5 | ≤5 | ≤5 | ≤5 | ≤5 | ≤5 | |||
| Standard return accuracy P2 | arcmin | 1 | 3~10 | ≤5 | ≤5 | ≤5 | ≤5 | ≤5 | ≤5 | ≤5 | ||
| 2 | 15~100 | ≤7 | ≤7 | ≤7 | ≤7 | ≤7 | ≤7 | ≤7 | ≤7 | |||
| Torsional rigidity | Nm/arcmin | 12 | 3~100 | 2 | 7 | 7 | 14 | 14 | 25 | 50 | 145 | 225 |
| Allowable radial force F2rB3 | N | 12 | 3~100 | 780 | 1530 | 1530 | 3250 | 3250 | 6700 | 9400 | 14500 | 50000 |
| Allowable axial force F2aB3 | N | 12 | 3~100 | 390 | 765 | 765 | 1625 | 1625 | 3350 | 4700 | 7250 | 25000 |
| Service life | hr | 12 | 3~100 | 20000* | ||||||||
| Efficiency η | % | 1 | 3~10 | ≥97% | ||||||||
| 2 | 15~100 | ≥94% | ||||||||||
| Weight | Kg | 1 | 3~10 | 0.6 | 1.3 | 3.7 | 7.8 | 14.5 | 29 | 48 | ||
| 2 | 15~100 | 0.8 | 1.5 | 1.9 | 4.1 | 5.3 | 9 | 17.5 | 33 | 60 | ||
| Operating temperature | ℃ | 12 | 3~100 | -10℃~+90℃ | ||||||||
| Lubrication | 12 | 3~100 | Synthetic lubricating grease | |||||||||
| Ingress protection | 12 | 3~100 | IP65 | |||||||||
| Mounting direction | 12 | 3~100 | Any direction | |||||||||
| The noise level is 1m(n1= 3000rpm, no load) | dB(A) | 12 | 3~100 | ≤56 | ≤58 | ≤60 | ≤60 | ≤63 | ≤63 | ≤65 | ≤67 | ≤70 |
| Specifications | Node Number | Reduction Ratio | 042ZB | 060ZB | 060(A)ZB | 090ZB | 090(A)ZB | 115ZB | 142ZB | 180ZB | 220ZB | |
| Moment of inertia J₁ | Kg-cm² | 1 | 3 | 0.16 | 0.61 | 3.25 | 9.21 | 28.98 | 69.61 | |||
| 4 | 0.03 | 0.14 | 0.48 | 2.74 | 7.54 | 23.67 | 54.37 | |||||
| 5 | 0.03 | 0.13 | 0.47 | 2.71 | 7.42 | 23.29 | 53.27 | |||||
| 6 | 0.03 | 0.13 | 0.45 | 2.65 | 7.25 | 22.75 | 51.72 | |||||
| 7 | 0.03 | 0.13 | 0.45 | 2.62 | 7.14 | 22.48 | 50.97 | |||||
| 8 | 0.03 | 0.13 | 0.44 | 2.58 | 7.07 | 22.59 | 50.84 | |||||
| 9 | 0.03 | 0.13 | 0.44 | 2.57 | 7.04 | 22.53 | 50.63 | |||||
| 10 | 0.03 | 0.13 | 0.44 | 2.57 | 7.03 | 22.51 | 50.56 | |||||
| 2 | 15 | 0.03 | 0.13 | 0.13 | 0.47 | 0.47 | 2.71 | 7.42 | 23.29 | |||
| 20 | 0.03 | 0.03 | 0.13 | 0.13 | 0.47 | 0.47 | 2.71 | 7.42 | 23.29 | |||
| 25 | 0.03 | 0.03 | 0.13 | 0.13 | 0.47 | 0.47 | 2.71 | 7.42 | 23.29 | |||
| 30 | 0.03 | 0.03 | 0.13 | 0.13 | 0.47 | 0.47 | 2.71 | 7.42 | 23.29 | |||
| 35 | 0.03 | 0.03 | 0.13 | 0.13 | 0.47 | 0.47 | 2.71 | 7.42 | 23.29 | |||
| 40 | 0.03 | 0.03 | 0.13 | 0.13 | 0.47 | 0.47 | 2.71 | 7.42 | 23.29 | |||
| 45 | 0.03 | 0.03 | 0.13 | 0.13 | 0.47 | 0.47 | 2.71 | 7.42 | 23.29 | |||
| 50 | 0.03 | 0.03 | 0.13 | 0.13 | 0.44 | 0.44 | 2.57 | 7.03 | 22.51 | |||
| 60 | 0.03 | 0.03 | 0.13 | 0.13 | 0.44 | 0.44 | 2.57 | 7.03 | 22.51 | |||
| 70 | 0.03 | 0.03 | 0.13 | 0.13 | 0.44 | 0.44 | 2.57 | 7.03 | 22.51 | |||
| 80 | 0.03 | 0.03 | 0.13 | 0.13 | 0.44 | 0.44 | 2.57 | 7.03 | 22.51 | |||
| 90 | 0.03 | 0.03 | 0.13 | 0.13 | 0.44 | 0.44 | 2.57 | 7.03 | 22.51 | |||
| 100 | 0.03 | 0.03 | 0.13 | 0.13 | 0.44 | 0.44 | 2.57 | 7.03 | 22.51 | |||
1. Reduction ratio (i=Nin/Nout)
2. Maximum acceleration torque T2B=60% of T2NOT
3. When the output speed is 100rpm, it acts on the center position of the output shaft.
*Continuous operation, with a service life of 10000 hours

| Product type | 60ZBF | 90ZBF | 115ZBF | 142ZBF | 180ZBF | |||||
| Number of stage | 1 | 2 | 1 | 2 | 1 | 2 | 1 | 2 | 1 | 2 |
| L1 overall length | 121.5 | 131.5 | 153 | 167.5 | 208 | 219 | 295.3 | 330.5 | 295.5 | 352.5 |
| L3 body length | 60.5 | 70.5 | 71.3 | 85.8 | 95 | 106 | 132.3 | 167.5 | 141 | 198 |
| Output | ||||||||||
| L4 output shaft length | 37 | 48 | 65 | 97 | 105 | |||||
| L5 output length to the shaft shoulder | 28.5 | 36 | 51 | 79 | 82 | |||||
| L6 key length | 25 | 32 | 40 | 70 | 70 | |||||
| L7 key length to shaft end | 2 | 2 | 5 | 4 | 6 | |||||
| L8 spigot length | 7 | 10 | 12 | 15 | 20 | |||||
| L11 output flange thickness | 8 | 10 | 14 | 15 | 20 | |||||
| D4 output shaft diameter | φ16H7 | φ22H7 | φ32H7 | φ40H7 | φ55H7 | |||||
| D5 shaft shoulder diameter | φ20 | φ30 | φ40 | φ50 | φ65 | |||||
| D6 spigot length | φ50H7 | φ80H7 | φ110H7 | φ130H7 | φ160H7 | |||||
| D7 body diameter | φ61 | φ90 | φ115 | φ142 | φ180 | |||||
| D8 hole circle | φ70 | φ100 | φ130 | φ165 | φ215 | |||||
| D9 mounting hole | φ5.5 | φ6.5 | φ8.5 | Φ11 | Φ13 | |||||
| D10 mounting width | 62 | 90 | □120 | 142 | 180 | |||||
| B1 key width | 5 | 6 | 10 | 12 | 16 | |||||
| H1 key height | 18 | 22.5 | 35 | 43 | 59 | |||||
| G3 center screw hole | M5X15 | M6X18 | M12X28 | M16X36 | M20X42 | |||||
| Input | ||||||||||
| L2 input flange length | 24 | 33.7 | 48 | 66 | 49.5 | |||||
| L9 motor shaft length | 30 | 40 | 58 | 81 | 81 | |||||
| L10 spigot depth | 10 | 10 | 10 | 12 | 12 | |||||
| D1 mounting hole distribution circle | φ70 | φ90 | φ145 | φ200 | φ200 | |||||
| D2 spigot diameter | φ50G7 | φ70G7 | φ110G7 | φ114.3G7 | φ114.3G7 | |||||
| D3 input shaft diameter | ≤φ14G7 | ≤φ19G7 | ≤φ24G7 | ≤φ35G7 | ≤φ35G7 | |||||
| G1 mounting threads Xdepth | M4X10 | M5X12 | M8X21 | M12X28 | M12X28 | |||||
| O3 input flange | □60 | □80 | □130 | □176 | 176 | |||||
| Product type | 060 | 090 | 115 | 142 | 180 | Reduction ratio | Series | |
| Rated output torque | N.M | 45 | 120 | 198 | 332 | 578 | 3 | 1 |
| 40 | 130 | 280 | 532 | 1040 | 4 | |||
| 50 | 150 | 320 | 650 | 1190 | 5 | |||
| 40 | 130 | 290 | 540 | 1090 | 7 | |||
| 35 | 110 | 250 | 490 | 990 | 8 | |||
| 30 | 90 | 220 | 440 | 890 | 10 | |||
| 45 | 120 | 198 | 332 | 578 | 16 | 2 | ||
| 40 | 130 | 280 | 532 | 1040 | 20 | |||
| 50 | 150 | 320 | 640 | 1190 | 25 | |||
| 40 | 130 | 290 | 540 | 1190 | 35 | |||
| 35 | 110 | 250 | 490 | 990 | 40 | |||
| 50 | 150 | 320 | 640 | 1190 | 50 | |||
| 45 | 140 | 300 | 590 | 1090 | 64 | |||
| 40 | 130 | 290 | 540 | 1090 | 70 | |||
| 35 | 110 | 250 | 490 | 990 | 80 | |||
| 30 | 90 | 220 | 440 | 890 | 100 | |||
| Life | Hour | 20000 | ||||||
| Instantemergency stop torque | N.M | 2 times rated output torque | ||||||
| Product type | 060 | 090 | 115 | 142 | 180 | Unit | Series |
| Radial force | 1100 | 3000 | 6023 | 9230 | 13500 | N | |
| Axial force | 630 | 1230 | 2550 | 4200 | 7000 | N | |
| Full load efficiency | ≥97 | % | 1 | ||||
| ≥94 | 2 | ||||||
| Weight | 1.055 | 2.680 | 6.32 | 18.30 | 26.80 | Kg | 1 |
| 1.065 | 3.135 | 7.20 | 22.14 | 33.55 | 2 | ||
| Operating temperature | -10~+90 | ℃ | |||||
| Protection level | IP65 | ||||||
| Lubrication method | Lifetime lubrication | ||||||
| Installation method | Any | ||||||
Maximum radial force and maximum axial force, when the output is 100RPM, it acts on the center position (L/2) of the output shaft.
| Product type | 060 | 090 | 115 | 142 | 180 | Reduction ratio | Series | |
| Moment of inertia J₁ | Kgcm² | 0.16 | 0.61 | 3.25 | 9.21 | 28.98 | 3 | 1 |
| 0.14 | 0.48 | 2.74 | 7.54 | 23.67 | 4 | |||
| 0.13 | 0.47 | 2.71 | 7.42 | 23.29 | 5 | |||
| 0.13 | 0.45 | 2.62 | 7.14 | 22.48 | 7 | |||
| 0.13 | 0.44 | 2.58 | 7.07 | 22.59 | 8 | |||
| 0.13 | 0.44 | 2.57 | 7.03 | 22.51 | 10 | |||
| 0.03 | 0.13 | 0.47 | 2.71 | 7.42 | 15 | 2 | ||
| 0.03 | 0.13 | 0.47 | 2.71 | 7.42 | 20 | |||
| 0.03 | 0.13 | 0.47 | 2.71 | 7.42 | 25 | |||
| 0.03 | 0.13 | 0.47 | 2.71 | 7.42 | 35 | |||
| 0.03 | 0.13 | 0.47 | 2.71 | 7.42 | 40 | |||
| 0.03 | 0.13 | 0.44 | 2.57 | 7.03 | 50 | |||
| 0.03 | 0.13 | 0.44 | 2.57 | 7.03 | 64 | |||
| 0.03 | 0.13 | 0.44 | 2.57 | 7.03 | 70 | |||
| 0.03 | 0.13 | 0.44 | 2.57 | 7.03 | 80 | |||
| 0.03 | 0.13 | 0.44 | 2.57 | 7.03 | 100 |
| Product type | 060 | 090 | 115 | 142 | 180 | Series | |
| Backlash | arcmin | ≤3 | ≤3 | ≤3 | ≤3 | ≤3 | One series |
| ≤5 | ≤5 | ≤5 | ≤5 | ≤5 | Two series | ||
| Torsion resistance | N.M/arcmin | 7 | 14 | 25 | 50 | 145 | |
| Noise | dB(A) | ≤63 | |||||
| Output speed | min | 10000 | 8000 | 8000 | 6000 | 6000 | |
| Recommended input speed | min | 4000 | 4000 | 4000 | 3000 | 3000 | |

| Product type | 60AF | 90AF | 120AF | 160AF | ||||
| Number of stage | 1 | 2 | 1 | 2 | 1 | 2 | 1 | 2 |
| L1 overall length | 116 | 126 | 151 | 165.5 | 196 | 207 | 284.5 | 323 |
| L3 body length | 57 | 67 | 77.3 | 91.8 | 93 | 104 | 131.5 | 170 |
| Output | ||||||||
| L4 output shaft length | 35 | 40 | 55 | 87 | ||||
| L5 output length to the shaft shoulder | 30.5 | 36 | 50 | 80 | ||||
| L6 key length | 25 | 28 | 40 | 70 | ||||
| L7 key length to shaft end | 2.5 | 4 | 5 | 5 | ||||
| L8 spigot length | 3 | 3 | 4 | 5 | ||||
| L11 output flange thickness | 8 | 10 | 16 | 15 | ||||
| D4output shaft diameter | φ14h7 | φ20h7 | φ25h7 | φ40H7 | ||||
| D5 shaft shoulder diameter | φ20 | φ30 | φ40 | φ45 | ||||
| D6 spigot length | φ50h7 | φ80h7 | φ110h7 | φ130H7 | ||||
| D7 body diameter | Φ61 | φ90 | φ115 | φ160 | ||||
| D8 hole circle | φ70 | φ100 | φ130 | φ185/φ200 | ||||
| D9 mounting hole | φ5.5 | φ6.5 | φ8.5 | φ11/φ13.5 | ||||
| D10 hole circle | □62 | □90 | □115 | □160/□175 | ||||
| B1 key width | 5 | 6 | 8 | 12 | ||||
| H1 key height | 16 | 22.5 | 28 | 43 | ||||
| G3 center screw hole | M5X15 | M6X18 | M10X22 | M12X25 | ||||
| Input | ||||||||
| L2 input flange length | 24 | 33.7 | 48 | 66 | ||||
| L9 motor shaft length | 30 | 40 | 58 | 79 | ||||
| L10 spigot depth | 10 | 10 | 10 | 10 | ||||
| D1 mounting hole distribution circle | φ70 | φ90 | φ145 | φ200 | ||||
| D2 spigot diameter | φ50G7 | φ70G7 | φ110G7 | φ114.3G7 | ||||
| D3 input shaft diameter | ≤14G7 | ≤19G7 | ≤24G7 | ≤35G7 | ||||
| G1 mounting threads Xdepth | M4X10 | M5X12 | M8X21 | M12X25 | ||||
| O3 input flange | □60 | □80 | □130 | □175 | ||||
| Product type | 60 | 90 | 120 | 160 | Reduction ratio | Series | |
| Rated output torque | N.M | 44 | 85 | 144 | 342 | 3 | 1 |
| 50 | 95 | 200 | 542 | 4 | |||
| 41 | 105 | 220 | 650 | 5 | |||
| 30 | 93 | 200 | 550 | 7 | |||
| 23 | 83 | 180 | 500 | 8 | |||
| 18 | 70 | 155 | 450 | 10 | |||
| 44 | 115 | 209 | 342 | 12 | 2 | ||
| 44 | 115 | 209 | 342 | 16 | |||
| 50 | 130 | 275 | 500 | 16 | |||
| 50 | 130 | 275 | 542 | 20 | |||
| 41 | 135 | 280 | 650 | 25 | |||
| 50 | 120 | 260 | 600 | 32 | |||
| 41 | 125 | 265 | 550 | 35 | |||
| 41 | 115 | 245 | 500 | 40 | |||
| 41 | 135 | 280 | 650 | 50 | |||
| 23 | 83 | 180 | 600 | 64 | |||
| 23 | 83 | 180 | 500 | 80 | |||
| 18 | 73 | 165 | 450 | 100 | |||
| Life | Hour | 20000 | |||||
| Instant emergency stop torque | N.M | 2 times rated output torque | |||||
| Product type | 60 | 90 | 120 | 160 | Unit | Series |
| Radial force | 750 | 2100 | 2520 | 7000 | N | |
| Axial force | 375 | 1050 | 1260 | 5000 | N | |
| Full load efficiency | ≥97 | % | 1 | |||
| ≥94 | 2 | |||||
| Weight | 0.9 | 2.5 | 6.5 | 18 | Kg | 1 |
| 1.2 | 3.0 | 7.2 | 20 | 2 | ||
| Operating temperature | -10~+90 | 0 | ||||
| Protection level | IP65 | |||||
| Lubrication method | Lifetime lubrication | |||||
| Installation method | Any | |||||
Maximum radial force and maximum axial force, when the output is 100RPM, it acts on the center position (L/2) of the output shaft.
| Product type | 60 | 90 | 120 | 160 | Reduction ratio | Series | |
| Moment of inertia | Kgcm² | 0.15 | 0.69 | 2.94 | 9.21 | 3 | 1 |
| 0.12 | 0.50 | 2.27 | 7.54 | 4 | |||
| 0.10 | 0.46 | 2.10 | 7.42 | 5 | |||
| 0.10 | 0.42 | 2.00 | 7.14 | 7 | |||
| 0.10 | 0.42 | 2.00 | 7.07 | 8 | |||
| 0.09 | 0.39 | 1.90 | 7.03 | 10 | |||
| 0.06 | 0.32 | 1.50 | 2.71 | 12 | 2 | ||
| 0.05 | 0.29 | 1.13 | 2.71 | 15 | |||
| 0.06 | 0.32 | 1.11 | 2.71 | 16 | |||
| 0.05 | 0.29 | 0.99 | 2.71 | 20 | |||
| 0.05 | 0.29 | 0.98 | 2.71 | 25 | |||
| 0.05 | 0.26 | 0.89 | 2.71 | 32 | |||
| 0.05 | 0.26 | 0.89 | 2.71 | 35 | |||
| 0.05 | 0.26 | 0.89 | 2.71 | 40 | |||
| 0.05 | 0.26 | 0.89 | 2.57 | 50 | |||
| 0.05 | 0.26 | 0.89 | 2.57 | 64 | |||
| 0.05 | 0.26 | 0.89 | 2.57 | 80 | |||
| 0.05 | 0.26 | 0.89 | 2.57 | 100 |
| Product type | 60 | 90 | 120 | 160 | Series | |
| Backlash | arcmin | ≤5 | ≤5 | ≤5 | ≤5 | One series |
| ≤8 | ≤8 | ≤8 | ≤7 | Two series | ||
| Torsion resistance | N.M/arcmin | 1.8 | 4.5 | 12 | 38 | |
| Noise | dB(A) | 63 | ||||
| Output speed | min-¹ | 4500 | 4500 | 4500 | 4500 | |
| Recommended input speed | min-¹ | 3000 | 3000 | 3000 | 3000 | |

| Product type | 60AE | 90AE | 120AE | 160AE | ||||
| Number of stage | 1 | 2 | 1 | 2 | 1 | 2 | 1 | 2 |
| L1 overall length | 116 | 126 | 151 | 165.5 | 196 | 207 | 284.5 | 323 |
| L3 body length | 57 | 67 | 77.3 | 91.8 | 93 | 104 | 131.5 | 170 |
| Output | ||||||||
| L4 output shaft length | 35 | 40 | 55 | 87 | ||||
| L5 output length to the shaft shoulder | 30.5 | 36 | 50 | 80 | ||||
| L6 key length | 25 | 28 | 40 | 70 | ||||
| L7 key length to shaft end | 2.5 | 4 | 5 | 5 | ||||
| L8 spigot length | 3 | 3 | 4 | 5 | ||||
| D4 output shaft diameter | Φ14h7 | Φ20h7 | Φ25h7 | φ40h7 | ||||
| D5 shaft shoulder diameter | φ20 | φ30 | Φ40 | φ45 | ||||
| D6 spigot length | φ40h7 | φ60h7 | φ80h7 | φ130H7 | ||||
| D7 body diameter | φ61 | φ90 | φ115 | φ160 | ||||
| D8 hole circle | φ52 | φ70 | φ100 | φ145 | ||||
| B1 key width | 5 | 6 | 8 | 12 | ||||
| H1 key height | 16 | 22.5 | 28 | 43 | ||||
| G2 mounting screw hole | M5X10 | M6X12 | M10X16 | M12X20 | ||||
| G3 center screw hole | M5X15 | M6X18 | M10X22 | M12X25 | ||||
| Input | ||||||||
| L2 input flange length | 24 | 33.7 | 48 | 66 | ||||
| L9 motor shaft length | 30 | 40 | 58 | 79 | ||||
| L10 spigot depth | 10 | 10 | 10 | 10 | ||||
| D1 mounting hole distribution circle | φ70 | φ90 | φ145 | φ200 | ||||
| D2 spigot diameter | φ50G7 | φ70G7 | Φ110G7 | φ114.3G7 | ||||
| D3 input shaft diameter | ≤14G7 | ≤19G7 | ≤24G7 | ≤35G7 | ||||
| G1 mounting threads X depth | M4X10 | M5X12 | M8X21 | M12X25 | ||||
| O3 input flange | □60 | □80 | □130 | □175 | ||||
| Product type | 60 | 90 | 120 | 160 | Reduction ratio | Series | |
| Rated output torque | N.M | 44 | 85 | 144 | 342 | 3 | 1 |
| 50 | 95 | 200 | 542 | 4 | |||
| 41 | 105 | 220 | 650 | 5 | |||
| 30 | 93 | 200 | 550 | 7 | |||
| 23 | 83 | 180 | 500 | 8 | |||
| 18 | 70 | 155 | 450 | 10 | |||
| 44 | 115 | 209 | 342 | 12 | 2 | ||
| 44 | 115 | 209 | 342 | 16 | |||
| 50 | 130 | 275 | 500 | 16 | |||
| 50 | 130 | 275 | 542 | 20 | |||
| 41 | 135 | 280 | 650 | 25 | |||
| 50 | 120 | 260 | 600 | 32 | |||
| 41 | 125 | 265 | 550 | 35 | |||
| 41 | 115 | 245 | 500 | 40 | |||
| 41 | 135 | 280 | 650 | 50 | |||
| 23 | 83 | 180 | 600 | 64 | |||
| 23 | 83 | 180 | 500 | 80 | |||
| 18 | 73 | 165 | 450 | 100 | |||
| Life | Hour | 20000 | |||||
| Instant emergency stop torque | N.M | 2 times rated output torque | |||||
| Product type | 60 | 90 | 120 | 160 | Unit | Series |
| Radial force | 750 | 2100 | 2520 | 7000 | N | |
| Axial force | 375 | 1050 | 1260 | 5000 | N | |
| Full load efficiency | ≥97 | % | 1 | |||
| ≥94 | 2 | |||||
| Weight | 0.9 | 2.5 | 6.5 | 18 | Kg | 1 |
| 1.2 | 3.0 | 7.2 | 20 | 2 | ||
| Operating temperature | -10~+90 | 0 | ||||
| Protection level | IP65 | |||||
| Lubrication method | Lifetime lubrication | |||||
| Installation method | Any | |||||
Maximum radial force and maximum axial force, when the output is 100RPM, it acts on the center position (L/2) of the output shaft.
| Product type | 60 | 90 | 120 | 160 | Reduction ratio | Series | |
| Moment of inertia | Kgcm² | 0.15 | 0.69 | 2.94 | 9.21 | 3 | 1 |
| 0.12 | 0.50 | 2.27 | 7.54 | 4 | |||
| 0.10 | 0.46 | 2.10 | 7.42 | 5 | |||
| 0.10 | 0.42 | 2.00 | 7.14 | 7 | |||
| 0.10 | 0.42 | 2.00 | 7.07 | 8 | |||
| 0.09 | 0.39 | 1.90 | 7.03 | 10 | |||
| 0.06 | 0.32 | 1.50 | 2.71 | 12 | 2 | ||
| 0.05 | 0.29 | 1.13 | 2.71 | 15 | |||
| 0.06 | 0.32 | 1.11 | 2.71 | 16 | |||
| 0.05 | 0.29 | 0.99 | 2.71 | 20 | |||
| 0.05 | 0.29 | 0.98 | 2.71 | 25 | |||
| 0.05 | 0.26 | 0.89 | 2.71 | 32 | |||
| 0.05 | 0.26 | 0.89 | 2.71 | 35 | |||
| 0.05 | 0.26 | 0.89 | 2.71 | 40 | |||
| 0.05 | 0.26 | 0.89 | 2.57 | 50 | |||
| 0.05 | 0.26 | 0.89 | 2.57 | 64 | |||
| 0.05 | 0.26 | 0.89 | 2.57 | 80 | |||
| 0.05 | 0.26 | 0.89 | 2.57 | 100 |
| Product type | 60 | 90 | 120 | 160 | Series | |
| Backlash | arcmin | ≤5 | ≤5 | ≤5 | ≤5 | One series |
| ≤8 | ≤8 | ≤8 | ≤7 | Two series | ||
| Torsion resistance | N.M/arcmin | 1.8 | 4.5 | 12 | 38 | |
| Noise | dB(A) | 63 | ||||
| Output speed | min-¹ | 4500 | 4500 | 4500 | 4500 | |
| Recommended input speed | min-¹ | 3000 | 3000 | 3000 | 3000 | |